系列详情

SF2B 光幕传感器

所属类型:光幕传感器
品       牌:松下
产       地:苏州
状       态:在产
特       点:参阅基本信息

Type2安全解决方案
低成本构建国际标准的安全方案!

推荐替代产品

生产终止品推荐替代品
订货产品号/型号终止日期 订货产品号/型号产品名称备注
订货产品号: SF2B-A10-N
型号: SF2B-A10-N
2022年9月30日订货产品号:SF4D-A10
型号: SF4D-A10
小型・牢固 安全光幕[Type4 PLe SIL3] SF4D替代品不兼容,无法仅更换本体/部件。
您正在使用的SF2B系列 Ver.2的所有本体/部件、都需要更换为SF4D系列的产品。
订货产品号: SF2B-A10-P
型号: SF2B-A10-P
2022年9月30日订货产品号:SF4D-A10
型号: SF4D-A10
小型・牢固 安全光幕[Type4 PLe SIL3] SF4D替代品不兼容,无法仅更换本体/部件。
您正在使用的SF2B系列 Ver.2的所有本体/部件、都需要更换为SF4D系列的产品。
订货产品号: SF2B-A12-N
型号: SF2B-A12-N
2022年9月30日订货产品号:SF4D-A12
型号: SF4D-A12
小型・牢固 安全光幕[Type4 PLe SIL3] SF4D替代品不兼容,无法仅更换本体/部件。
您正在使用的SF2B系列 Ver.2的所有本体/部件、都需要更换为SF4D系列的产品。
订货产品号: SF2B-A12-P
型号: SF2B-A12-P
2022年9月30日订货产品号:SF4D-A12
型号: SF4D-A12
小型・牢固 安全光幕[Type4 PLe SIL3] SF4D替代品不兼容,无法仅更换本体/部件。
您正在使用的SF2B系列 Ver.2的所有本体/部件、都需要更换为SF4D系列的产品。
订货产品号: SF2B-A14-N
型号: SF2B-A14-N
2022年9月30日订货产品号:SF4D-A14
型号: SF4D-A14
小型・牢固 安全光幕[Type4 PLe SIL3] SF4D替代品不兼容,无法仅更换本体/部件。
您正在使用的SF2B系列 Ver.2的所有本体/部件、都需要更换为SF4D系列的产品。
订货产品号: SF2B-A14-P
型号: SF2B-A14-P
2022年9月30日订货产品号:SF4D-A14
型号: SF4D-A14
小型・牢固 安全光幕[Type4 PLe SIL3] SF4D替代品不兼容,无法仅更换本体/部件。
您正在使用的SF2B系列 Ver.2的所有本体/部件、都需要更换为SF4D系列的产品。
订货产品号: SF2B-A16-N
型号: SF2B-A16-N
2022年9月30日订货产品号:SF4D-A16
型号: SF4D-A16
小型・牢固 安全光幕[Type4 PLe SIL3] SF4D替代品不兼容,无法仅更换本体/部件。
您正在使用的SF2B系列 Ver.2的所有本体/部件、都需要更换为SF4D系列的产品。
订货产品号: SF2B-A16-P
型号: SF2B-A16-P
2022年9月30日订货产品号:SF4D-A16
型号: SF4D-A16
小型・牢固 安全光幕[Type4 PLe SIL3] SF4D替代品不兼容,无法仅更换本体/部件。
您正在使用的SF2B系列 Ver.2的所有本体/部件、都需要更换为SF4D系列的产品。
订货产品号: SF2B-A18-N
型号: SF2B-A18-N
2022年9月30日订货产品号:SF4D-A18
型号: SF4D-A18
小型・牢固 安全光幕[Type4 PLe SIL3] SF4D替代品不兼容,无法仅更换本体/部件。
您正在使用的SF2B系列 Ver.2的所有本体/部件、都需要更换为SF4D系列的产品。
订货产品号: SF2B-A18-P
型号: SF2B-A18-P
2022年9月30日订货产品号:SF4D-A18
型号: SF4D-A18
小型・牢固 安全光幕[Type4 PLe SIL3] SF4D替代品不兼容,无法仅更换本体/部件。
您正在使用的SF2B系列 Ver.2的所有本体/部件、都需要更换为SF4D系列的产品。
订货产品号: SF2B-A20-N
型号: SF2B-A20-N
2022年9月30日订货产品号:SF4D-A20
型号: SF4D-A20
小型・牢固 安全光幕[Type4 PLe SIL3] SF4D替代品不兼容,无法仅更换本体/部件。
您正在使用的SF2B系列 Ver.2的所有本体/部件、都需要更换为SF4D系列的产品。
订货产品号: SF2B-A20-P
型号: SF2B-A20-P
2022年9月30日订货产品号:SF4D-A20
型号: SF4D-A20
小型・牢固 安全光幕[Type4 PLe SIL3] SF4D替代品不兼容,无法仅更换本体/部件。
您正在使用的SF2B系列 Ver.2的所有本体/部件、都需要更换为SF4D系列的产品。
订货产品号: SF2B-A24-N
型号: SF2B-A24-N
2022年9月30日订货产品号:SF4D-A24
型号: SF4D-A24
小型・牢固 安全光幕[Type4 PLe SIL3] SF4D替代品不兼容,无法仅更换本体/部件。
您正在使用的SF2B系列 Ver.2的所有本体/部件、都需要更换为SF4D系列的产品。
订货产品号: SF2B-A24-P
型号: SF2B-A24-P
2022年9月30日订货产品号:SF4D-A24
型号: SF4D-A24
小型・牢固 安全光幕[Type4 PLe SIL3] SF4D替代品不兼容,无法仅更换本体/部件。
您正在使用的SF2B系列 Ver.2的所有本体/部件、都需要更换为SF4D系列的产品。
订货产品号: SF2B-A28-N
型号: SF2B-A28-N
2022年9月30日订货产品号:SF4D-A28
型号: SF4D-A28
小型・牢固 安全光幕[Type4 PLe SIL3] SF4D替代品不兼容,无法仅更换本体/部件。
您正在使用的SF2B系列 Ver.2的所有本体/部件、都需要更换为SF4D系列的产品。
订货产品号: SF2B-A28-P
型号: SF2B-A28-P
2022年9月30日订货产品号:SF4D-A28
型号: SF4D-A28
小型・牢固 安全光幕[Type4 PLe SIL3] SF4D替代品不兼容,无法仅更换本体/部件。
您正在使用的SF2B系列 Ver.2的所有本体/部件、都需要更换为SF4D系列的产品。
订货产品号: SF2B-A32-N
型号: SF2B-A32-N
2022年9月30日订货产品号:SF4D-A32
型号: SF4D-A32
小型・牢固 安全光幕[Type4 PLe SIL3] SF4D替代品不兼容,无法仅更换本体/部件。
您正在使用的SF2B系列 Ver.2的所有本体/部件、都需要更换为SF4D系列的产品。
订货产品号: SF2B-A32-P
型号: SF2B-A32-P
2022年9月30日订货产品号:SF4D-A32
型号: SF4D-A32
小型・牢固 安全光幕[Type4 PLe SIL3] SF4D替代品不兼容,无法仅更换本体/部件。
您正在使用的SF2B系列 Ver.2的所有本体/部件、都需要更换为SF4D系列的产品。
订货产品号: SF2B-A36-N
型号: SF2B-A36-N
2022年9月30日订货产品号:SF4D-A36
型号: SF4D-A36
小型・牢固 安全光幕[Type4 PLe SIL3] SF4D替代品不兼容,无法仅更换本体/部件。
您正在使用的SF2B系列 Ver.2的所有本体/部件、都需要更换为SF4D系列的产品。
订货产品号: SF2B-A36-P
型号: SF2B-A36-P
2022年9月30日订货产品号:SF4D-A36
型号: SF4D-A36
小型・牢固 安全光幕[Type4 PLe SIL3] SF4D替代品不兼容,无法仅更换本体/部件。
您正在使用的SF2B系列 Ver.2的所有本体/部件、都需要更换为SF4D系列的产品。
订货产品号: SF2B-A4-N
型号: SF2B-A4-N
2022年9月30日订货产品号:SF4D-A4
型号: SF4D-A4
小型・牢固 安全光幕[Type4 PLe SIL3] SF4D替代品不兼容,无法仅更换本体/部件。
您正在使用的SF2B系列 Ver.2的所有本体/部件、都需要更换为SF4D系列的产品。
订货产品号: SF2B-A4-P
型号: SF2B-A4-P
2022年9月30日订货产品号:SF4D-A4
型号: SF4D-A4
小型・牢固 安全光幕[Type4 PLe SIL3] SF4D替代品不兼容,无法仅更换本体/部件。
您正在使用的SF2B系列 Ver.2的所有本体/部件、都需要更换为SF4D系列的产品。
订货产品号: SF2B-A40-N
型号: SF2B-A40-N
2022年9月30日订货产品号:SF4D-A40
型号: SF4D-A40
小型・牢固 安全光幕[Type4 PLe SIL3] SF4D替代品不兼容,无法仅更换本体/部件。
您正在使用的SF2B系列 Ver.2的所有本体/部件、都需要更换为SF4D系列的产品。
订货产品号: SF2B-A40-P
型号: SF2B-A40-P
2022年9月30日订货产品号:SF4D-A40
型号: SF4D-A40
小型・牢固 安全光幕[Type4 PLe SIL3] SF4D替代品不兼容,无法仅更换本体/部件。
您正在使用的SF2B系列 Ver.2的所有本体/部件、都需要更换为SF4D系列的产品。
订货产品号: SF2B-A44-N
型号: SF2B-A44-N
2022年9月30日订货产品号:SF4D-A44
型号: SF4D-A44
小型・牢固 安全光幕[Type4 PLe SIL3] SF4D替代品不兼容,无法仅更换本体/部件。
您正在使用的SF2B系列 Ver.2的所有本体/部件、都需要更换为SF4D系列的产品。
订货产品号: SF2B-A44-P
型号: SF2B-A44-P
2022年9月30日订货产品号:SF4D-A44
型号: SF4D-A44
小型・牢固 安全光幕[Type4 PLe SIL3] SF4D替代品不兼容,无法仅更换本体/部件。
您正在使用的SF2B系列 Ver.2的所有本体/部件、都需要更换为SF4D系列的产品。
订货产品号: SF2B-A48-N
型号: SF2B-A48-N
2022年9月30日订货产品号:SF4D-A48
型号: SF4D-A48
小型・牢固 安全光幕[Type4 PLe SIL3] SF4D替代品不兼容,无法仅更换本体/部件。
您正在使用的SF2B系列 Ver.2的所有本体/部件、都需要更换为SF4D系列的产品。
订货产品号: SF2B-A48-P
型号: SF2B-A48-P
2022年9月30日订货产品号:SF4D-A48
型号: SF4D-A48
小型・牢固 安全光幕[Type4 PLe SIL3] SF4D替代品不兼容,无法仅更换本体/部件。
您正在使用的SF2B系列 Ver.2的所有本体/部件、都需要更换为SF4D系列的产品。
订货产品号: SF2B-A6-N
型号: SF2B-A6-N
2022年9月30日订货产品号:SF4D-A6
型号: SF4D-A6
小型・牢固 安全光幕[Type4 PLe SIL3] SF4D替代品不兼容,无法仅更换本体/部件。
您正在使用的SF2B系列 Ver.2的所有本体/部件、都需要更换为SF4D系列的产品。
订货产品号: SF2B-A6-P
型号: SF2B-A6-P
2022年9月30日订货产品号:SF4D-A6
型号: SF4D-A6
小型・牢固 安全光幕[Type4 PLe SIL3] SF4D替代品不兼容,无法仅更换本体/部件。
您正在使用的SF2B系列 Ver.2的所有本体/部件、都需要更换为SF4D系列的产品。
订货产品号: SF2B-A8-N
型号: SF2B-A8-N
2022年9月30日订货产品号:SF4D-A8
型号: SF4D-A8
小型・牢固 安全光幕[Type4 PLe SIL3] SF4D替代品不兼容,无法仅更换本体/部件。
您正在使用的SF2B系列 Ver.2的所有本体/部件、都需要更换为SF4D系列的产品。
订货产品号: SF2B-A8-P
型号: SF2B-A8-P
2022年9月30日订货产品号:SF4D-A8
型号: SF4D-A8
小型・牢固 安全光幕[Type4 PLe SIL3] SF4D替代品不兼容,无法仅更换本体/部件。
您正在使用的SF2B系列 Ver.2的所有本体/部件、都需要更换为SF4D系列的产品。
订货产品号:SF2B-H12-N
型号:SF2B-H12-N
2022年9月30日订货产品号:SF4D-H12
型号: SF4D-H12
小型・牢固 安全光幕[Type4 PLe SIL3] SF4D替代品不兼容,无法仅更换本体/部件。
您正在使用的SF2B系列 Ver.2的所有本体/部件、都需要更换为SF4D系列的产品。
订货产品号: SF2B-H12-P
型号: SF2B-H12-P
2022年9月30日订货产品号:SF4D-H12
型号: SF4D-H12
小型・牢固 安全光幕[Type4 PLe SIL3] SF4D替代品不兼容,无法仅更换本体/部件。
您正在使用的SF2B系列 Ver.2的所有本体/部件、都需要更换为SF4D系列的产品。
订货产品号: SF2B-H16-N
型号: SF2B-H16-N
2022年9月30日订货产品号:SF4D-H16
型号: SF4D-H16
小型・牢固 安全光幕[Type4 PLe SIL3] SF4D替代品不兼容,无法仅更换本体/部件。
您正在使用的SF2B系列 Ver.2的所有本体/部件、都需要更换为SF4D系列的产品。
订货产品号: SF2B-H16-P
型号: SF2B-H16-P
2022年9月30日订货产品号:SF4D-H16
型号: SF4D-H16
小型・牢固 安全光幕[Type4 PLe SIL3] SF4D替代品不兼容,无法仅更换本体/部件。
您正在使用的SF2B系列 Ver.2的所有本体/部件、都需要更换为SF4D系列的产品。
订货产品号: SF2B-H20-N
型号: SF2B-H20-N
2022年9月30日订货产品号:SF4D-H20
型号: SF4D-H20
小型・牢固 安全光幕[Type4 PLe SIL3] SF4D替代品不兼容,无法仅更换本体/部件。
您正在使用的SF2B系列 Ver.2的所有本体/部件、都需要更换为SF4D系列的产品。
订货产品号: SF2B-H20-P
型号: SF2B-H20-P
2022年9月30日订货产品号:SF4D-H20
型号: SF4D-H20
小型・牢固 安全光幕[Type4 PLe SIL3] SF4D替代品不兼容,无法仅更换本体/部件。
您正在使用的SF2B系列 Ver.2的所有本体/部件、都需要更换为SF4D系列的产品。
订货产品号: SF2B-H24-N
型号: SF2B-H24-N
2022年9月30日订货产品号:SF4D-H24
型号: SF4D-H24
小型・牢固 安全光幕[Type4 PLe SIL3] SF4D替代品不兼容,无法仅更换本体/部件。
您正在使用的SF2B系列 Ver.2的所有本体/部件、都需要更换为SF4D系列的产品。
订货产品号: SF2B-H24-P
型号: SF2B-H24-P
2022年9月30日订货产品号:SF4D-H24
型号: SF4D-H24
小型・牢固 安全光幕[Type4 PLe SIL3] SF4D替代品不兼容,无法仅更换本体/部件。
您正在使用的SF2B系列 Ver.2的所有本体/部件、都需要更换为SF4D系列的产品。
订货产品号: SF2B-H28-N
型号: SF2B-H28-N
2022年9月30日订货产品号:SF4D-H28
型号: SF4D-H28
小型・牢固 安全光幕[Type4 PLe SIL3] SF4D替代品不兼容,无法仅更换本体/部件。
您正在使用的SF2B系列 Ver.2的所有本体/部件、都需要更换为SF4D系列的产品。
订货产品号: SF2B-H28-P
型号: SF2B-H28-P
2022年9月30日订货产品号:SF4D-H28
型号: SF4D-H28
小型・牢固 安全光幕[Type4 PLe SIL3] SF4D替代品不兼容,无法仅更换本体/部件。
您正在使用的SF2B系列 Ver.2的所有本体/部件、都需要更换为SF4D系列的产品。
订货产品号: SF2B-H32-N
型号: SF2B-H32-N
2022年9月30日订货产品号:SF4D-H32
型号: SF4D-H32
小型・牢固 安全光幕[Type4 PLe SIL3] SF4D替代品不兼容,无法仅更换本体/部件。
您正在使用的SF2B系列 Ver.2的所有本体/部件、都需要更换为SF4D系列的产品。
订货产品号: SF2B-H32-P
型号: SF2B-H32-P
2022年9月30日订货产品号:SF4D-H32
型号: SF4D-H32
小型・牢固 安全光幕[Type4 PLe SIL3] SF4D替代品不兼容,无法仅更换本体/部件。
您正在使用的SF2B系列 Ver.2的所有本体/部件、都需要更换为SF4D系列的产品。
订货产品号: SF2B-H36-N
型号: SF2B-H36-N
2022年9月30日订货产品号:SF4D-H36
型号: SF4D-H36
小型・牢固 安全光幕[Type4 PLe SIL3] SF4D替代品不兼容,无法仅更换本体/部件。
您正在使用的SF2B系列 Ver.2的所有本体/部件、都需要更换为SF4D系列的产品。
订货产品号: SF2B-H36-P
型号: SF2B-H36-P
2022年9月30日订货产品号:SF4D-H36
型号: SF4D-H36
小型・牢固 安全光幕[Type4 PLe SIL3] SF4D替代品不兼容,无法仅更换本体/部件。
您正在使用的SF2B系列 Ver.2的所有本体/部件、都需要更换为SF4D系列的产品。
订货产品号: SF2B-H40-N
型号: SF2B-H40-N
2022年9月30日订货产品号:SF4D-H40
型号: SF4D-H40
小型・牢固 安全光幕[Type4 PLe SIL3] SF4D替代品不兼容,无法仅更换本体/部件。
您正在使用的SF2B系列 Ver.2的所有本体/部件、都需要更换为SF4D系列的产品。
订货产品号: SF2B-H40-P
型号: SF2B-H40-P
2022年9月30日订货产品号:SF4D-H40
型号: SF4D-H40
小型・牢固 安全光幕[Type4 PLe SIL3] SF4D替代品不兼容,无法仅更换本体/部件。
您正在使用的SF2B系列 Ver.2的所有本体/部件、都需要更换为SF4D系列的产品。
订货产品号: SF2B-H48-N
型号: SF2B-H48-N
2022年9月30日订货产品号:SF4D-H48
型号: SF4D-H48
小型・牢固 安全光幕[Type4 PLe SIL3] SF4D替代品不兼容,无法仅更换本体/部件。
您正在使用的SF2B系列 Ver.2的所有本体/部件、都需要更换为SF4D系列的产品。
订货产品号: SF2B-H48-P
型号: SF2B-H48-P
2022年9月30日订货产品号:SF4D-H48
型号: SF4D-H48
小型・牢固 安全光幕[Type4 PLe SIL3] SF4D替代品不兼容,无法仅更换本体/部件。
您正在使用的SF2B系列 Ver.2的所有本体/部件、都需要更换为SF4D系列的产品。
订货产品号: SF2B-H56-N
型号: SF2B-H56-N
2022年9月30日订货产品号:SF4D-H56
型号: SF4D-H56
小型・牢固 安全光幕[Type4 PLe SIL3] SF4D替代品不兼容,无法仅更换本体/部件。
您正在使用的SF2B系列 Ver.2的所有本体/部件、都需要更换为SF4D系列的产品。
订货产品号: SF2B-H56-P
型号: SF2B-H56-P
2022年9月30日订货产品号:SF4D-H56
型号: SF4D-H56
小型・牢固 安全光幕[Type4 PLe SIL3] SF4D替代品不兼容,无法仅更换本体/部件。
您正在使用的SF2B系列 Ver.2的所有本体/部件、都需要更换为SF4D系列的产品。
订货产品号: SF2B-H64-N
型号: SF2B-H64-N
2022年9月30日订货产品号:SF4D-H64
型号: SF4D-H64
小型・牢固 安全光幕[Type4 PLe SIL3] SF4D替代品不兼容,无法仅更换本体/部件。
您正在使用的SF2B系列 Ver.2的所有本体/部件、都需要更换为SF4D系列的产品。
订货产品号: SF2B-H64-P
型号: SF2B-H64-P
2022年9月30日订货产品号:SF4D-H64
型号: SF4D-H64
小型・牢固 安全光幕[Type4 PLe SIL3] SF4D替代品不兼容,无法仅更换本体/部件。
您正在使用的SF2B系列 Ver.2的所有本体/部件、都需要更换为SF4D系列的产品。
订货产品号: SF2B-H72-N
型号: SF2B-H72-N
2022年9月30日订货产品号:SF4D-H72
型号: SF4D-H72
小型・牢固 安全光幕[Type4 PLe SIL3] SF4D替代品不兼容,无法仅更换本体/部件。
您正在使用的SF2B系列 Ver.2的所有本体/部件、都需要更换为SF4D系列的产品。
订货产品号: SF2B-H72-P
型号: SF2B-H72-P
2022年9月30日订货产品号:SF4D-H72
型号: SF4D-H72
小型・牢固 安全光幕[Type4 PLe SIL3] SF4D替代品不兼容,无法仅更换本体/部件。
您正在使用的SF2B系列 Ver.2的所有本体/部件、都需要更换为SF4D系列的产品。
订货产品号: SF2B-H8-N
型号: SF2B-H8-N
2022年9月30日订货产品号:SF4D-H8
型号: SF4D-H8
小型・牢固 安全光幕[Type4 PLe SIL3] SF4D替代品不兼容,无法仅更换本体/部件。
您正在使用的SF2B系列 Ver.2的所有本体/部件、都需要更换为SF4D系列的产品。
订货产品号: SF2B-H8-P
型号: SF2B-H8-P
2022年9月30日订货产品号:SF4D-H8
型号: SF4D-H8
小型・牢固 安全光幕[Type4 PLe SIL3] SF4D替代品不兼容,无法仅更换本体/部件。
您正在使用的SF2B系列 Ver.2的所有本体/部件、都需要更换为SF4D系列的产品。
订货产品号: SF2B-H80-N
型号: SF2B-H80-N
2022年9月30日订货产品号:SF4D-H80
型号: SF4D-H80
小型・牢固 安全光幕[Type4 PLe SIL3] SF4D替代品不兼容,无法仅更换本体/部件。
您正在使用的SF2B系列 Ver.2的所有本体/部件、都需要更换为SF4D系列的产品。
订货产品号: SF2B-H80-P
型号: SF2B-H80-P
2022年9月30日订货产品号:SF4D-H80
型号: SF4D-H80
小型・牢固 安全光幕[Type4 PLe SIL3] SF4D替代品不兼容,无法仅更换本体/部件。
您正在使用的SF2B系列 Ver.2的所有本体/部件、都需要更换为SF4D系列的产品。
订货产品号: SF2B-H88-N
型号: SF2B-H88-N
2022年9月30日订货产品号:SF4D-H88
型号: SF4D-H88
小型・牢固 安全光幕[Type4 PLe SIL3] SF4D替代品不兼容,无法仅更换本体/部件。
您正在使用的SF2B系列 Ver.2的所有本体/部件、都需要更换为SF4D系列的产品。
订货产品号: SF2B-H88-P
型号: SF2B-H88-P
2022年9月30日订货产品号:SF4D-H88
型号: SF4D-H88
小型・牢固 安全光幕[Type4 PLe SIL3] SF4D替代品不兼容,无法仅更换本体/部件。
您正在使用的SF2B系列 Ver.2的所有本体/部件、都需要更换为SF4D系列的产品。
订货产品号: SF2B-H96-N
型号: SF2B-H96-N
2022年9月30日订货产品号:SF4D-H96
型号: SF4D-H96
小型・牢固 安全光幕[Type4 PLe SIL3] SF4D替代品不兼容,无法仅更换本体/部件。
您正在使用的SF2B系列 Ver.2的所有本体/部件、都需要更换为SF4D系列的产品。
订货产品号: SF2B-H96-P
型号: SF2B-H96-P
2022年9月30日订货产品号:SF4D-H96
型号: SF4D-H96
小型・牢固 安全光幕[Type4 PLe SIL3] SF4D替代品不兼容,无法仅更换本体/部件。
您正在使用的SF2B系列 Ver.2的所有本体/部件、都需要更换为SF4D系列的产品。
订货产品号: SF2B-TR27
型号: SF2B-TR27
2022年9月30日订货产品号:SF4B-TR25
型号: SF4B-TR25
测试杆替代品不兼容,无法仅更换本体/部件。
您正在使用的SF2B系列 Ver.2的所有本体/部件、都需要更换为SF4D系列的产品。

规格

个别规格 [SF2B-H□ Hand型]

种类最小检测物体φ27mm(光轴20mm间距)

NPN输出SF2B-H8-NSF2B-H12-NSF2B-H16-NSF2B-H20-N
PNP输出SF2B-H8-PSF2B-H12-PSF2B-H16-PSF2B-H20-P
光轴数8121620
光轴间距20mm
检测高度168mm232mm312mm392mm
消耗电流投光器:40mA以下
受光器:50mA以下
投光器:40mA以下
受光器:60mA以下
PFHDNPN输出6.24x10-96.44x10-96.58x10-96.77x10-9
PNP输出6.04x10-96.23x10-96.37x10-96.57x10-9
MTTFD100年以上
重量
(投・受光器合计)
本体重量:约170g本体重量:约280g本体重量:约400g本体重量:约510g
种类最小检测物体φ27mm(光轴20mm间距)

NPN输出SF2B-H24-NSF2B-H28-NSF2B-H32-NSF2B-H36-N
PNP输出SF2B-H24-PSF2B-H28-PSF2B-H32-PSF2B-H36-P
光轴数24283236
光轴间距20mm
检测高度472mm552mm632mm712mm
消耗电流投光器:50mA以下
受光器:70mA以下
投光器:50mA以下
受光器:80mA以下
PFHDNPN输出6.91x10-97.10x10-97.24x10-97.44x10-9
PNP输出6.71x10-96.90x10-97.04x10-97.23x10-9
MTTFD100年以上
重量
(投・受光器合计)
本体重量:约610g本体重量:约720g本体重量:约830g本体重量:约930g
种类最小检测物体φ27mm(光轴20mm间距)

NPN输出SF2B-H40-NSF2B-H48-NSF2B-H56-NSF2B-H64-N
PNP输出SF2B-H40-PSF2B-H48-PSF2B-H56-PSF2B-H64-P
光轴数40485664
光轴间距20mm
检测高度792mm952mm1,112mm1,272mm
消耗电流投光器:60mA以下
受光器:90mA以下
投光器:65mA以下
受光器:110mA以下
PFHDNPN输出7.58x10-97.91x10-98.24x10-98.58x10-9
PNP输出7.37x10-97.71x10-98.04x10-98.37x10-9
MTTFD100年以上
重量
(投・受光器合计)
本体重量:约1,000g本体重量:约1,300g本体重量:约1,500g本体重量:约1,700g
种类 最小检测物体φ27mm(20mm间距)

NPN输出 SF2B-H72-NSF2B-H80-NSF2B-H88-NSF2B-H96-N
PNP输出 SF2B-H72-PSF2B-H80-PSF2B-H88-PSF2B-H96-P
光轴数 72808896
光轴间距 20mm
检测高度1,432mm1,592mm1,752mm1,912mm
消耗电流 投光器:70mA以下
受光器:130mA以下
投光器:80mA以下
受光器:150mA以下
PFHDNPN出力8.91x10-99.24x10-99.58x10-99.91x10-9
PNP出力8.71x10-99.04x10-99.37x10-99.71x10-9
MTTFD100年以上
重量
(投・受光器合计)
本体重量:
约1,900g
本体重量:
约2,100g
本体重量:
约2,300g
本体重量:
约2,500g

(注1):无指定时的测量条件为使用环境温度=+20℃。
PFHD是每小时故障概率、MTTFD是系统平均无危险故障时间。

个别规格 [SF2B-A□ Arm/Foot型]

种类最小检测物体φ47mm(光轴40mm间距)

NPN输出SF2B-A4-NSF2B-A6-NSF2B-A8-NSF2B-A10-N
PNP输出SF2B-A4-PSF2B-A6-PSF2B-A8-PSF2B-A10-P
光轴数46810
光轴间距40mm
检测高度168 mm232 mm312 mm392 mm
消耗电流投光器: 35mA以下
受光器: 45mA以下
投光器: 35mA以下
受光器: 50mA以下
PFHDNPN输出6.11x10-96.23x10-96.30x10-96.42x10-9
PNP输出5.90x10-96.03x10-96.10x10-96.22x10-9
MTTFD100年以上
重量
(投・受光器合计)
本体重量:约170 g本体重量:约280 g本体重量:约400 g本体重量:约510 g
种类最小检测物体φ47mm(光轴40mm间距)

NPN输出SF2B-A12-NSF2B-A14-NSF2B-A16-NSF2B-A18-N
PNP输出SF2B-A12-PSF2B-A14-PSF2B-A16-PSF2B-A18-P
光轴数12141618
光轴间距40mm
检测高度472 mm552 mm632 mm712 mm
消耗电流投光器: 40mA以下
受光器: 55mA以下
投光器: 40mA以下
受光器: 60mA以下
PFHDNPN输出6.49x10-96.62x10-96.69x10-96.81x10-9
PNP输出6.29x10-96.41x10-96.48x10-96.61x10-9
MTTFD100年以上
重量
(投・受光器合计)
本体重量:约610 g本体重量:约720 g本体重量:约830 g本体重量:约930 g
种类最小检测物体φ47mm(光轴40mm间距)

NPN输出SF2B-A20-NSF2B-A24-NSF2B-A28-NSF2B-A32-N
PNP输出SF2B-A20-PSF2B-A24-PSF2B-A28-PSF2B-A32-P
光轴数20242832
光轴间距40mm
检测高度792 mm952 mm1,112 mm1,272 mm
消耗电流投光器: 45mA以下
受光器: 65mA以下
投光器: 50mA以下
受光器: 75mA以下
PFHDNPN输出6.88x10-97.08x10-97.27x10-97.46x10-9
PNP输出6.68x10-96.87x10-97.07x10-97.26x10-9
MTTFD100年以上
重量
(投・受光器合计)
本体重量:约1,000 g本体重量:约1,300 g本体重量:约1,500 g本体重量:约1,700 g
种类最小检测物体φ47mm(光轴40mm间距)

NPN输出SF2B-A36-NSF2B-A40-NSF2B-A44-NSF2B-A48-N
PNP输出SF2B-A36-PSF2B-A40-PSF2B-A44-PSF2B-A48-P
光轴数36404448
光轴间距40mm
检测高度1,432 mm1,592 mm1,752 mm1,912 mm
消耗电流投光器: 55mA以下
受光器: 85mA以下
投光器: 60mA以下
受光器: 95mA以下
PFHDNPN输出7.66x10-97.85x10-98.05x10-98.24x10-9
PNP输出7.46x10-97.65x10-97.84x10-98.04x10-9
MTTFD100年以上
重量
(投・受光器合计)
本体重量:约1,900 g本体重量:约2,100 g本体重量:约2,300 g本体重量:约2,500 g

(注1):无指定时的测量条件为使用环境温度=+20℃。
PFHD是每小时故障概率、MTTFD是系统平均无危险故障时间。

通用规格

种类最小检测物体φ27mm (20mm间距)最小检测物体φ47mm (40mm间距)
NPN输出PNP输出NPN输出PNP输出
型号SF2B-H□-NSF2B-H□-PSF2B-A□-NSF2B-A□-P




(注2)
国际标准IEC 61496-1/2(类型2)、ISO 13849-1(类别2、PLc)、IEC 61508-1~7(SIL1)
日本JIS B 9704-1/2(类型2)、JIS B 9705-1(类别2)、JIS C 0508-1~7
欧洲(EU加盟)EN 61496-1(类型2)、EN 55011
北美UL 61496-1/2(类型2)、UL 508、UL 1998(1级)、CSA C22.2 No.14、CSA C22.2 No.0.8、
OSHA 1910.212(注3)、OSHA 1910.217(C)(注3)、ANSI B11.1~B11.19、ANSI/RIA 15.06
检测距离
(有效距离)
0.2〜13m[使用底帽电缆(互换电缆)SF2B-CB05-B时0.2~5m]
最小检测物体φ27mm的不透明体φ47mm的不透明体
有效开口角检测距离超过3m时,为±5°以下(基于IEC 61496-2/UL 61496-2)
电源电压24V DC±15% 脉冲P-P10%以下
控制输出
(OSSD1、
OSSD 2)
<NPN输出型>
NPN开路集电极晶体管
・最大流入电流:200mA
・外加电压:与电源电压相同 [控制输出(OSSD1、OSSD2)和0V之间]
・剩余电压:2.0V以下(流入电流为200mA时)(电缆长30.5m时)
<PNP输出型>
PNP开路集电极晶体管
・最大流出电流:200mA
・外加电压:与电源电压相同 [控制输出(OSSD1、OSSD2)和+V之间]
・剩余电压:2.5V以下(源电流为200mA时)(电缆长30.5m时)
 工作模式
(输出动作)
所有光轴入光时ON,1个以上光轴遮光时OFF
(光幕传感器内部异常及同步信号异常时OFF。)
保护电路
(短路保护)
配备
反应时间OFF反应时间:15ms以下、ON反应时间:40〜60ms
辅助输出
(AUX)(注2)
<NPN输出型>
NPN开路集电极晶体管
・最大流入电流:60mA
・外加电压:与电源电压相同 [控制输出(OSSD1、OSSD2)和0V之间]
・剩余电压:2.0V以下(流入电流为60mA时)(电缆长30.5m时)
<PNP输出型>
PNP开路集电极晶体管
・最大流出电流:60mA
・外加电压:与电源电压相同 [控制输出(OSSD1、OSSD2)和+V之间]
・剩余电压:2.5V以下(源电流为60mA时)(电缆长30.5m时)
 工作模式
(输出动作)
SF2B-CCB□、SF2B-CB□使用时:OSSD ON时OFF、OSSD OFF时ON
使用SF2B-CB05-A时:正常动作时ON、投光器异常动作时或投光停止时OFF
保护电路
(短路保护)
配备
同步方式线同步(使用SF2B-CB05-B时光同步)
防干扰功能配备
・串联连接:最多3套(合计光轴数最多为128根)(但SF2B-A□连接2套时最多为96根光轴,连接3套时最多为64根光轴)(注5)(注3)
SF2B-H□和SF2B-A□可以混用(注4)
[SF2B-CB05-B使用时(光同步)
・串联连接:最多3套(合计光轴数最多为128根)(但SF2B-A□连接2套时最多为96根光轴,连接3套时最多为64根光轴)
(注3)
・并联连接:最多2套
・串联、并联混合连接:可同时串联3套和并联2套
SF2B-H□和SF2B-A□可以混用(注4)]
投光停止功能 配备
外部设备
监控功能
配备




保护构造IP67/65(IEC、JIS) ※Ver.2以上
使用环境温度-10〜+55℃(注意不可结露、结冰)、保存时:-25〜+70℃
使用环境湿度30〜85%RH、保存时:30〜95%RH
使用环境照明度白炽灯:受光面照明度3,500lx
耐电压AC1,000V 1分钟 所有电源连接端子与外壳之间
绝缘电阻20MΩ以上,基于DC500V的高阻表 所有电源连接端子与外壳之间
耐振动频率10〜55Hz 双振幅0.75mm XYZ各方向2小时
耐冲击频率300m/s2(约30G) XYZ各方向3次
投光元件红外LED(发光波峰波长:870nm)
电缆延长用另售的连接电缆可将投光器和受光器分别最大延长至30.5m
连接方式连接器连接
材质本体外壳:铝,上下端部:锌压铸件,
内套:聚碳酸酯、聚酯树脂,盖:PBT
附件MS-SF2B-2(中间支撑支架):
(注7)
SF2B-TR27(测试杆):1根
MS-SF2B-2(中间支撑支架):
(注7)

(注1):无指定时的测量条件为使用环境温度=+20℃。
(注2):2009年10月起生产的产品符合PLc、SIL。根据IEC61496-1的修订(机器类的安全性ー电器保护设备第1部,2005年5月10日起类型2安全光幕传感器被限制为PLc、SIL1。
(注3):使用互换电缆(底帽电缆)SF2B-CB05-A时不符合。
(注4):使用辅助输出(AUX)时,不能使用互换电缆(底帽电缆)SF2B-CB05-B(另售)。
(注5):SF2B-H8-□及SF2B-A4-□无法串联连接。详情请参阅“使用指南”。
(注6):SF2B-H□和SF2B-A□一起串联连接的情况下,请把SF2B-A□的光轴数乘以2计算,合计光轴数应在128根以下。
例) SF2B-H36和SF2B-A44串联连接时,合计光轴数为124根。
SF2B-H36的光轴数+(SF2B-A44的光轴数×2)=合计光轴数 36根光轴+(44根光轴×2)=124根光轴
(注7):下列传感器附带中间支撑支架MS-SF2B-2。如下所述,附带的个数因产品而异。
1套:SF2B-H□…40~56光轴的光幕传感器、SF2B-A□…20~28光轴的光幕传感器
2套:SF2B-H□…64~80光轴的光幕传感器、SF2B-A□…32~40光轴的光幕传感器
3套:SF2B-H□…88~96光轴的光幕传感器、SF2B-A□…44~48光轴的光幕传感器

隅角镜

型号RF-SFBH-□
检测距离隅角镜1面:衰减至90%,隅角镜2面:衰减至80%
(与SF2B系列组合)




使用环境温度-10〜+55℃(注意不可结露、结冰)、保存时:-25〜+70℃
使用环境湿度30〜85%RH、保存时:30〜95%RH
耐振动频率10〜55Hz 双振幅0.75mm XYZ各方向2小时
耐冲击频率300m/s2(约30G) XYZ各方向3次
材质本体外壳:铝,安装支架:不锈钢,隅角镜(背面镜):玻璃,侧盖:EPDM
附件中间支撑支架(RF-SFBH-40/48/56/64:1套、RF-SFBH-72/80/88/96:2套)

(注1):无指定时的测量条件为使用环境温度=+20℃。

光轴调整器

型号SF-LAT-2B
电源电压3V
电池1.5V(5号碱性干电池)×2节(可更换)(注2)
电池寿命持续约30小时(碱性干电池,使用环境温度=+25℃)
光源红色半导体激光 2级(IEC/JIS/FDA)
(最大输出:1mW、投光波峰波长:650nm)(注3)
光点直径约10mm(距离为5m时)
使用环境温度0〜+40℃(注意不可结露、结冰)、保存时:0〜+55℃
使用环境湿度35〜85%RH、保存时:35〜85%RH
材质本体外壳:ABS、安装部:铝
重量本体重量:约150g(不包括干电池)

(注1):无指定时的测量条件为使用环境温度=+20℃。
(注2):不包含5号碱性干电池,敬请另行购买。
(注3):依据第50号激光通告(2001.7.26),以FDA标准(21 CFR 1040.10)为准。

尺寸图

  • 单位mm

SF2B-□ SF2B-□SL

光幕传感器
安装支架安装图
下图所示为安装了标准安装支架MS-SF2B-1(另售)与中间支撑支架MS-SF2B-2(光幕传感器里附带)后的状态。

背面安装
侧面安装
(注1):传感器附带中间支撑支架MS-SF2B-2。附带的个数因产品而异。
(注2):SF2B-H8(SL)(-□)和SF2B-A4(SL)(-□)上没有配备端帽(串联连接用连接器)。
型号ABCDEF
SF2B-H8(SL)(-□)SF2B-A4(SL)(-□)168207223---
SF2B-H12(SL)(-□)SF2B-A6(SL)(-□)232270286---
SF2B-H16(SL)(-□)SF2B-A8(SL)(-□)312350366---
SF2B-H20(SL)(-□)SF2B-A10(SL)(-□)392430446---
SF2B-H24(SL)(-□)SF2B-A12(SL)(-□)472510526---
SF2B-H28(SL)(-□)SF2B-A14(SL)(-□)552590606---
SF2B-H32(SL)(-□)SF2B-A16(SL)(-□)632670686---
SF2B-H36(SL)(-□)SF2B-A18(SL)(-□)712750766---
SF2B-H40(SL)(-□)SF2B-A20(SL)(-□)792830846390--
SF2B-H48(SL)(-□)SF2B-A24(SL)(-□)9529901,006470--
SF2B-H56(SL)(-□)SF2B-A28(SL)(-□)1,1121,1501,166550--
SF2B-H64(SL)(-□)SF2B-A32(SL)(-□)1,2721,3101,326418842-
SF2B-H72(SL)(-□)SF2B-A36(SL)(-□)1,4321,4701,486472948-
SF2B-H80(SL)(-□)SF2B-A40(SL)(-□)1,5921,6301,6465251,055-
SF2B-H88(SL)(-□)SF2B-A44(SL)(-□)1,7521,7901,8064338701,308
SF2B-H96(SL)(-□)SF2B-A48(SL)(-□)1,9121,9501,9664739501,428
型号GHJ
SF2B-H□2066(注1)
SF2B-A□40266(注1)
(注1):SF2B-H8(SL)(-□)和SF2B-A4(SL)(-□)为22mm。

SF2B-□ SF2B-□SL

光幕传感器
安装支架安装图
下图所示为安装了无死角安装支架MS-SF2B-3(另售)与中间支撑支架MS-SF2B-2(光幕传感器里附带)后的状态。

背面安装
侧面安装
(注1):传感器附带中间支撑支架MS-SF2B-2。附带的个数因产品而异。
(注2):SF2B-H8(SL)(-□)和SF2B-A4(SL)(-□)上没有配备端帽(串联连接用连接器)。
型号AKLMNPQR
SF2B-H8(SL)(-□)SF2B-A4(SL)(-□)168155------
SF2B-H12(SL)(-□)SF2B-A6(SL)(-□)232219------
SF2B-H16(SL)(-□)SF2B-A8(SL)(-□)312299------
SF2B-H20(SL)(-□)SF2B-A10(SL)(-□)392379------
SF2B-H24(SL)(-□)SF2B-A12(SL)(-□)472459------
SF2B-H28(SL)(-□)SF2B-A14(SL)(-□)552539------
SF2B-H32(SL)(-□)SF2B-A16(SL)(-□)632619------
SF2B-H36(SL)(-□)SF2B-A18(SL)(-□)712699------
SF2B-H40(SL)(-□)SF2B-A20(SL)(-□)792779390--379.5--
SF2B-H48(SL)(-□)SF2B-A24(SL)(-□)952939470--459.5--
SF2B-H56(SL)(-□)SF2B-A28(SL)(-□)1,1121,099550--539.5--
SF2B-H64(SL)(-□)SF2B-A32(SL)(-□)1,2721,259418842-407.5831.5-
SF2B-H72(SL)(-□)SF2B-A36(SL)(-□)1,4321,419472948-461.5937.5-
SF2B-H80(SL)(-□)SF2B-A40(SL)(-□)1,5921,5795251,055-514.51,044.5-
SF2B-H88(SL)(-□)SF2B-A44(SL)(-□)1,7521,7394338701,308422.5859.51,297.5
SF2B-H96(SL)(-□)SF2B-A48(SL)(-□)1,9121,8994739501,428462.5939.51,417.5
型号GHJ
SF2B-H□2066(注1)
SF2B-A□40266(注1)
(注1):SF2B-H8(SL)(-□)和SF2B-A4(SL)(-□)为22mm。

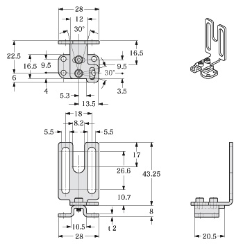
MS-SF2B-1

标准安装支架(另售)

<MS-SF2B-1(R)>
■背面安装时

背面安装时

■侧面安装时

侧面安装时

<MS-SF2B-1(L)>
■背面安装时

背面安装时

■侧面安装时

侧面安装时
材质:SUS304
支架4个(R型·L型各2个) 1套
附带M3(长5mm)内六角螺栓
(8个光幕传感器安装用、8个光轴调整用)]

MS-SF2B-2

中间支撑支架(光幕传感器中附带)

<背面安装用>

背面安装用

<侧面安装用>

侧面安装用

<本体安装用>

本体安装用
材质:SUS304
背面安装用、侧面安装用、本体安装用各2个1套(注1)

(注1):下列传感器附带中间支撑支架MS-SF2B-2。如下所述,附带的个数因产品而异。
1套:SF2B-H□…40〜56光轴的光幕传感器、SF2B-A□…20〜28光轴的光幕传感器
2套:SF2B-H□…64〜80光轴的光幕传感器、SF2B-A□…32〜40光轴的光幕传感器
3套:SF2B-H□…88〜96光轴的光幕传感器、SF2B-A□…44〜48光轴的光幕传感器

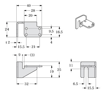
MS-SF2B-3

无死角安装支架(另售)

<本体>

本体
材质:SUS304・锌压铸件
支架4个1套

<中间支撑支架用垫片(附件)>
使用无死角安装支架,侧面安装光幕传感器时,将其作为中间支撑支架MS-SF2B-2的垫片使用。

中间支撑支架用垫片(附件)
材质:SUS304
支架6个1套[附带M5(长8mm)内六角螺栓12个]

<L字形安装>

L字形安装

<安装调整范围>
光幕传感器的角度调整范围在±10°以内。

安装调整范围

MS-SF2B-4

SF1-N/NA40用互换安装支架(另售)

SF1-N/NA40用互換取付金具(別売)
材质:SUS304
支架4个1套
[附带M3(长5mm)内六角螺栓8个]

MS-SF2B-5

SF2-A/SF2-N用互换安装支架(另售)

<MS-SF2B-5(R)>

■背面安装时

背面安装时

■侧面安装时

侧面安装时

<MS-SF2B-5(L)>

■背面安装时

背面安装时

■侧面安装时

侧面安装时
材质:SUS304
支架4个(R型·L型各2个)1套
附带M3(长5mm)内六角螺栓
(8个光幕传感器安装用、8个光轴调整用)

MS-SF2B-6

NA40用互换安装支架(另售)

<MS-SF2B-6(R)>

MS-SF2B-6(R)

<MS-SF2B-6(L)>

MS-SF2B-6(L)
材质:SUS304
支架4个(R型·L型各2个)1套
[附带8个M3(长5mm)内六角螺栓]

MS-SF2B-7

SF1-N用互换安装支架(另售)

<右侧面上部安装用>

右侧面上部安装用

<左侧面上部安装用>

左侧面上部安装用

<右侧面下部安装用>

右侧面下部安装用

<左侧面下部安装用>

左侧面下部安装用
材质:SUS304
支架4种各1个1套
[附带8个M3(长5mm)内六角螺栓]

SF2B-CCB3
SF2B-CCB7

底帽电缆(另售)

SF2B-CCB3 SF2B-CCB7

SF2B-CB□

底帽电缆(另售)

SF2B-CB□

SFB-CC3
SFB-CC10

延长用电缆(另售)

SF2B-CC3 SF2B-CC10

SFB-CCJ10E
SFB-CCJ10D

延长用电缆(另售)

SFB-CCJ10E SFB-CCJ10D

SF2B-CSL01
SF2B-CSL05

串联连接用电缆(另售)

SF2B-CSL01 SF2B-CSL05

RF-SFBH-□

隅角镜(另售)

RF-SFBH-□
型号ABCDEF本体重量
RF-SFBH-8173183235--209约810g
RF-SFBH-12236246298--272约970g
RF-SFBH-16316326378--352约1,170g
RF-SFBH-20396406458--432约1,370g
RF-SFBH-24476486538--512约1,570g
RF-SFBH-28556566618--592约1,770g
RF-SFBH-32636646698--672约1,970g
RF-SFBH-36716726778--752约2,170g
RF-SFBH-40796806858458±50-832约2,660g
RF-SFBH-489569661,018538±50-992约3,060g
RF-SFBH-561,1161,1261,178618±50-1,152约3,460g
RF-SFBH-641,2761,2861,338698±50-1,312约3,890g
RF-SFBH-721,4361,4461,498538±501,018±501,472约4,550g
RF-SFBH-801,5961,6061,658591±501,125±501,632约4,950g
RF-SFBH-881,7561,7661,818645±501,231±501,792约5,350g
RF-SFBH-961,9161,9261,978698±501,338±501,952约5,750g

SF-LAT-2B

光轴调整器

SF-LAT-2B

SF-IND-2

光幕传感器大型指示灯(另售)

SF-IND-2
材质:
支架部…SPCC(黑色铬酸盐)
外壳…POM
外壳…聚碳酸酯

回路・连接

NPN输出型

使用底帽电缆SF2B-CCB□、SF2B-CB□时

输入・输出电路图

<外部设备监控有效时>

NPN输出型 输入・输出电路图 <外部设备监控有效时>
(注1):为不与其它电线接触,请对未使用的电线进行绝缘处理。
注意
联锁(复位输入)电路请另外构建。

※ S1

开关S1
测试输入
开路:投光停止
0~+1.5V(源电流5mA以下):投光

连接图

<外部设备监控有效时>

NPN输出型 输入・输出电路图 <外部设备监控有效时>
(注1):为不与其它电线接触,请对未使用的电线进行绝缘处理。

输入・输出电路图

<外部设备监控无效时>

  • 为了使外部设备监控功能无效,请连接辅助输出和外部设备监控输入。此时,请不要在辅助输出上连接负载。
NPN输出型 输入・输出电路图 <外部设备监控无效时>
(注1):为不与其它电线接触,请对未使用的电线进行绝缘处理。
注意
联锁(复位输入)电路请另外构建。

※ S1

开关S1
测试输入
开路:投光停止
0~+1.5V(源电流5mA以下):投光

连接图

<外部设备监控无效时>

NPN输出型 输入・输出电路图 <外部设备监控无效时>
(注1):为不与其它电线接触,请对未使用的电线进行绝缘处理。

PNP输出型

使用底帽电缆SF2B-CCB□、SF2B-CB□时

输入・输出电路图

<外部设备监控有效时>

PNP输出型 输入・输出电路图 <外部设备监控有效时>
注意
联锁(复位输入)电路请另外构建。

※ S1

开关S1
测试输入
开路:投光停止
Vs~Vs-2.5V(流入电流5mA以下):投光(注2)
(注1):为不与其它电线接触,请对未使用的电线进行绝缘处理。
(注2):Vs为使用中的电源电压。

连接图

<外部设备监控有效时>

PNP输出型 输入・输出电路图 <外部设备监控有效时>
(注1):为不与其它电线接触,请对未使用的电线进行绝缘处理。

输入・输出电路图

<外部设备监控无效时>

  • 为了使外部设备监控功能无效,请连接辅助输出和外部设备监控输入。此时,请不要在辅助输出上连接负载。
PNP输出型 输入・输出电路图 <外部设备监控无效时>
注意
联锁(复位输入)电路请另外构建。

※ S1

开关S1
测试输入
开路:投光停止
Vs~Vs-2.5V(流入电流5mA以下):投光(注2)
(注1):为不与其它电线接触,请对未使用的电线进行绝缘处理。
(注2):Vs为使用中的电源电压。

连接图

<外部设备监控无效时>

PNP输出型 输入・输出电路图 <外部设备监控无效时>
(注1):为不与其它电线接触,请对未使用的电线进行绝缘处理。

SF-C11

SF2B系列连接图(控制类别2)

使用NPN输出型的情况(正极接地)
SF-C11 SF2B系列连接图(控制类别2) NPN输出型的情况(正极接地)
(注1):上图为手动复位时的配线图。使用自动复位时,则请将图中接往X2的配线改接在X3上。此时,无需复位(RESET)按钮。
(注2):复位(RESET)按钮请使用瞬动型开关。
(注3):测试(TEST)按钮开路时停止投光,短路时投光。不使用时,请使T1和T2之间短路。请另行通过测试杆等遮光,进行自诊断。

使用PNP输出型的情况(0V接地)

  • 将光幕传感器输入极性选择开关设定于PNP侧,并将0V接地。
SF-C11 SF2B系列连接图(控制类别2) PNP输出型的情况(OV接地)
(注1):上图为手动复位时的配线图。使用自动复位时,则请将图中接往X2的配线改接在X3上。此时,无需复位(RESET)按钮。
(注2):复位(RESET)按钮请使用瞬动型开关。
(注3):测试(TEST)按钮开路时停止投光,短路时投光。不使用时,请使T1和T2之间短路。请另行通过测试杆等遮光,进行自诊断。

SF-C11SF2B系列连接时,请务必使用以下连接电缆。
SF2B-CB05(电缆长0.5m)、SF2B-CB5(电缆长5m)
SF2B-CB10(电缆长10m)
SFB-CCJ10E(用于投光器・电缆长10m)
SFB-CCJ10D(用于受光器・电缆长10m)

端子排列图

SF-C11 端子配列図    
端子名称 内 容
A1+24V DC
A20V
3-14、23-24、 33-34安全输出(NO接点×3)
41-42辅助输出(NC接点×1)
X1复位输出端子
X2复位输入端子(手动)
X3复位输入端子(自动)
A不使用。
B
T1测试输出端子
T2测试输入端子
AUX半导体辅助输出

光幕传感器连接用连接器针排列图

SF-C11 ライトカーテン接続用コネクタピン配置図    
连接器针No.投光器侧连接器受光器侧连接器
1未使用OSSD2
2+24V DC+24V DC
3投光停止OSSD1
4辅助输出EDM(外部继电器监控)
5同步线+同步线+
6同步线-同步线-
70V0V
8屏蔽线屏蔽线

SF-C13

SF2B系列连接图(控制类别2)

NPN输出型
  • 光幕传感器控制输出OSSD1、OSSD2分别连接到S4、S2,正极接地。
SF-C13 SF2B系列连接图(控制类别2) NPN输出型
(注1):左图为手动复位时的配线图。使用自动复位时,则请将图中接往X2的
配线改接在X3上。此时,无需复位(RESET)按钮。
(注2):复位(RESET)按钮请使用瞬动型开关。

PNP输出型

  • 光幕传感器控制输出OSSD1、OSSD2分别连接到S1、S2。
SF-C13 SF2B系列连接图(控制类别2) PNP输出型
(注1):左图为手动复位时的配线图。使用自动复位时,则请将图中接往X2的
配线改接在X3上。此时,无需复位(RESET)按钮。
(注2):复位(RESET)按钮请使用瞬动型开关。

端子排列图

SF-C13 端子配列図    
端子名称内 容
A1+24V DC
A20V
S1~S4光幕传感器控制输出
(OSSD)输入端子
AUX半导体辅助输出
X1复位输出端子
X2复位输入端子(手动)
X3复位输入端子(自动)
13-14、23-24、 33-34安全输出(NO接点×3)
41-42辅助输出(NC接点×1)
若将光幕传感器一侧配线,请另行准备端子座。

使用注意事项

  • 本装置是2类电气感应式保护装置,预期在ISO 13849-1规定控制(控制系统的安全相关部分种类)的种类1、2及种类B的系统中使用。在冲压设备等要求4类及3类的系统中,绝对不可使用。此外,在日本国内使用时,本装置不可用作冲压设备的安全装置。日本国内的冲压设备请使用光幕传器SF4B-□-01V2〉。
  • 在海外使用本产品时,适用OSHA 1910.212和OSHA 1910.217(美国)、EN ISO 13855(EU)等标准。关于安装条件,请遵守各国的法律和标准等要求。
本产品网站是您选择产品时的指南,使用时请务必阅读附带的使用说明书。
出厂时投光器和受光器已调整完毕,请将序列号相同的投光器和受光器组合使用。序列号标记在投光器和受光器的铭牌上。(型号的下侧)
  • 开始作业时请务必进行检查,确保安全。
  • 该产品适用于危险部分的驱动装置通过切断电源紧急停止或备有紧急停止装置的各种设备装置。不适用于动作循环中不可停止的设备,敬请注意。

自诊断功能

  • 本装置配备有自诊断功能。
    发现异常时,马上进入锁定状态,控制输出(OSSD1、OSSD2)固定在OFF状态。请参阅“故障排除”( P.627 )及使用说明书,排除异常原因。
  • 为了确保安全,请每天至少检查一次本装置的遮光状态。
    如果不进行自诊断,就不能及早发现意外故障,从而增加危险系数,导致本装置误动作引起重伤甚至死亡。
  • 为了确认控制输出(OSSD1、OSSD2)和辅助输出的所有异常,必须检查本装置的遮光状态。将本装置设置成遮光状态进行检查时,请实施以下任意一种措施。
    • 通过测试输入(停止投光功能),使投光停止。
    • 通过测试杆等,遮住光轴。[但使用互换电缆(底帽电缆)SF2B-CB05-A时除外]

投光停止功能(测试输入)

  • 是指使投光器的投光动作停止的功能。 在测试输入(粉色) 的状态下,可以选择投光/投光停止。
测试输入投光状态
 使用SF2B-CB05-B时
开路投光停止投光
连接到0V或+V投光投光停止
  • 投光停止时,控制输出(OSSD1、OSSD2)OFF。
  • 通过该功能,即使在装置一侧也能确认因干扰导致的错误操作及控制输出(OSSD1、OSSD2)、辅助输出异常。

<时间表>

  • 请不要将投光停止功能(测试输入)用来停止装置,否则可能会导致重伤甚至死亡。

辅助输出

  • 辅助输出安装在投光器上,根据使用的底帽电缆(另售)的不同,辅助输出的动作也不一样。
底帽电缆正常动作锁定
投光停止时控制输出
(OSSD1、OSSD2)状态
入光遮光
使用SF2B-CCB□/
SF2B-CB□时
ONOFFONON
互换
电缆
使用SF2B-CB05-A时OFFONONOFF
SF2B-CB05-B不能使用。
使用底帽电缆SF2B-CCB□/SF2B-CB□(另售)时
  • 辅助输出安装在投光器上,控制输出(OSSD1、OSSD2)ON时OFF,控制输出(OSSD1、OSSD2)OFF时ON。
  • 辅助输出可作为本装置的动作监控器使用。
  • 在不使用外部设备监控功能时,为了使外部设备监控功能无效,请连接辅助输出线和外部设备监控器输入线。此时,请不要在辅助输出上连接负载。
  • 外部设备监控功能无效的条件下使用时,请勿将辅助输出作为本装置的动作监控器直接使用。使外部设备监控无效且将辅助输出作为本装置的动作监控器使用时,请将辅助输出和外部设备监控输入连接到外部继电器(请另行准备)上,且将外部继电器的接点作为本装置的动作监控器使
    用。

<时间表>

使用互换电缆(底帽电缆)SF2B-CB05-A(另售)时

  • 使用互换电缆(底帽电缆)SF2B-CB05-A(另售)时,请务必使用辅助输出。即使采用控制输出(OSSD1)或辅助输出,仍输出OFF时,请采取措施,确保控制设备能够停止。如不使用辅助输出,则即使在控制输出(OSSD1)故障期间发生意外错误,设备也无法停止,可能导致重伤甚至死亡。
  • 辅助输出安装在投光器上,辅助输出正常动作时ON。在以下情况下输出OFF。
    • 发生异常投光停止状态。
      [控制输出(OSSD1)发生短路,发生异常等情况]
    • 在测试输入期间。
  • 控制设备侧不能传达异常情况,所以由辅助输出输出警告信号。

<时间表>

使用互换电缆(底帽电缆)SF2B-CB05-B(另售)时

  • 不能通过互换电缆(底帽电缆)SF2B-CB05-B(另售),使用辅助输出。

外部设备监控功能

  • 使用底帽电缆SF2B-CCB□/SF2B-CB□(另售)时,可以使用本功能。检查连接控制输出(OSSD1、OSSD2)的外部安全继电器是否根据控制输出(OSSD1、OSSD2)正常动作。
    监控外部安全继电器的b接点,如果检查到因接点熔敷等引起的异常时,在传感器锁定状态下将控制输出(OSSD1、OSSD2)OFF。

外部设备监控功能有效时

  • 请将外部设备监控输入(黄绿色)连接至控制输出(OSSD1、OSSD2)连接的外部安全继电器的b接点。

不使用外部设备监控功能时

  • 请将外部设备监控输入(黄绿色)和辅助输出(黄绿色/黑色)连接。

<时间表(正常)>

  • 外部设备监控的设定时间在300ms以下。若超过300ms,监控将处于锁定状态。

<时间表(异常1)>

<时间表(异常2)>

串联连接

最多可以连接3套(合计光轴数最多为128根)(注1)(注2)

  • 将多台投光器和受光器相对串联的连接方法。到危险区域的路径为2个方向以上时使用。无论哪一个变为遮光状态,控制输出(OSSD1、OSSD2)变为OFF。详情请参阅使用说明书。
(注1):SF2B-H8-□SF2B-A4-□未配备串联连接用连接器,因此无法串联连接。SF2B-H8SLSF2B-A4SL未配备串联连接用连接器,3套串联连接时,只能用于第3套。
(注2):关于SF2B-A□的合计光轴数,连接2套时最多为96根,连接3套时最多为64根。SF2B-H□SF2B-A□□一起串联连接的情况下,请把SF2B-A□的光轴数乘以2计算,合计光轴数应在128根以下。
例)SF2B-H36SF2B-A44串联连接时,合计光轴数为124根。
SF2B-H36的光轴数+(SF2B-A44的光轴数×2)=合计光轴数36根光轴+(44根光轴×2)=124根光轴
  • 串联连接时,请将光幕传感器和串联连接专用辅助传感器(另售)的投光器和投光器,以及受光器和受光器通过专用的串联连接用电缆SF2B-CSL□(另售)连接。若连接错误,传感器检测不到,会导致重伤甚至死亡。

并联连接

  • 只使用互换电缆(底帽电缆)SF2B-CB05-BB(另售)时,最多可以并联连接2套。详情请参阅使用说明书。
※请将频率切换开关(投光器和受光器)在主机侧时设定为“1”,在子机侧时设定为“2”。

串联・并联混合连接

  • 只使用互换电缆(底帽电缆)SF2B-CB05-BB(另售)时,最多可以串联、并联混合连接3套(合计光轴数最多为128根。但SF2B-A□连接2套时最多为96根,连接3套时最多为64根)。详情请参阅使用说明书。
※ 请将频率切换开关(投光器和受光器)在主机侧时设定为“1”,在子机侧时设定为“2”。

各部名称与功能

投光器

名 称功 能
光轴对齐指示灯
(红色/绿色)
〔RECEPTION〕
A本装置上部所有光轴入光时:红色指示灯亮起
本装置顶端光轴入光时:红色指示灯闪烁
控制输出(OSSD1、OSSD2)ON时:绿色指示灯亮起
(使用SF2B-CB05-B时,常时熄灭)
B本装置中上部所有光轴入光时:红色指示灯亮起
控制输出(OSSD1、OSSD2)ON时:绿色指示灯亮起
(使用SF2B-CB05-B时,常时熄灭)
C本装置中下部所有光轴入光时:红色指示灯亮起
控制输出(OSSD1、OSSD2)ON时:绿色指示灯亮起
(使用SF2B-CB05-B时,常时熄灭)
D本装置下部所有光轴入光时:红色指示灯亮起
本装置底端光轴入光时:红色指示灯闪烁
控制输出(OSSD1、OSSD2)ON时:绿色指示灯亮起
(使用F2B-CB05-B时,常时熄灭)
工作状态指示灯(红色/绿色)
〔OPERATION〕
控制输出(OSSD1、OSSD2)OFF时:红色指示灯亮起
控制输出(OSSD1、OSSD2)ON时:绿色指示灯亮起
(使用SF2B-CB05-B时
投光器异常时:红色指示灯亮起
投光器正常时:绿色指示灯亮起)
投光停止指示灯(橙色)
〔HALT〕
投光停止时:亮起,投光时:熄灭
异常指示灯(黄色)
〔FAULT〕
本装置异常时亮起或闪烁
设定指示灯(红色)
〔SETTING〕
常时熄灭
(使用SF2B-CB05-B
频率设定为1时:亮1个灯
频率设定为2时:亮2个灯)
频率切换开关使用SF2B-CB05-B时,主机/子机侧切换时使用。在主机侧设定为“1”,在子机侧设定为“2”。

受光器

名 称功 能
光轴对齐指示灯
(红色/绿色)
〔RECEPTION〕
A本装置上部所有光轴入光时:红色指示灯亮起
本装置顶端光轴入光时:红色指示灯闪烁
控制输出(OSSD1、OSSD2)ON时:绿色指示灯亮起
B本装置中上部所有光轴入光时:红色指示灯亮起
控制输出(OSSD1、OSSD2)ON时:绿色指示灯亮起
C本装置中下部所有光轴入光时:红色指示灯亮起
控制输出(OSSD1、OSSD2)ON时:绿色指示灯亮起
D本装置下部所有光轴入光时:红色指示灯亮起
本装置底端光轴入光时:红色指示灯闪烁
控制输出(OSSD1、OSSD2)ON时:绿色指示灯亮起
OSSD指示灯
(红色/绿色)〔OSSD〕
控制输出(OSSD1、OSSD2)OFF时:红色指示灯亮起
控制输出(OSSD1、OSSD2)ON时:绿色指示灯亮起
入光量指示灯
(橙色/绿色)〔STB〕
入光过量时(入光量130%以上)(注1):绿色指示灯亮起
稳定入光时(入光量115~130%)(注1):熄灭
不稳定入光时(入光量100~115%)(注1):橙色指示灯亮起
遮光时:熄灭(注2)
异常指示灯(黄色)
〔FAULT〕
本装置异常时亮起或闪烁
数字式故障指示灯
(赤色)(注3)
锁定时亮起显示异常内容
(使用SF2B-CB05-B时,
锁定时亮起显示异常内容
频率设定为1时:亮1个灯
频率设定为2时:亮2个灯)
频率切换开关使用SF2B-CB05-B时,在主机/子机侧切 换时使用。在主机侧设定为“1”,在子机 侧设定为“2”。
(注1):控制输出(OSSD1、OSSD2)由OFF变为ON的基准值用入光量100%表示。
(注2):遮光时是指检测区域内有遮光物体存在的状态。
(注3):详情请参阅“故障排除”及使用说明书。
(注4):传感器本体上标有〔 〕内的名称。

配线

  • 请参阅使用本装置的地区相关标准进行设置。此外,请勿因接地故障等导致发生危险的误动作,敬请注意。
  • 请务必在切断电源的状态下进行配线作业。
  • 请确认电源的波动,以免电源输入超过额定范围。
  • 使用市售的开关调节器时,请务必将电源的框架式接地(F.G.)端子接地。
  • 在本装置安装部周围使用作为干扰发生源的设备(开关调节器、变频马达等)时,请务必将设备的框架式接地(F.G.)端子接地。
  • 请避免与高压线和动力线并行配线,或使用同一配线管,否则会因电磁感应而导致误动作。

其它

  • 本装置为在工业环境下使用所开发,生产的产品。
  • 使用时,请避开电源接通时的过渡状态(2s)。
  • 请勿在蒸气、灰尘等较多的场所使用。
  • 请勿使产品和稀释剂等有机溶剂或水、油以及油脂直接接触。
  • 快速起动式、高频点亮式荧光灯的光束会给检测造成影响。虽然因传
    感器类型而有所差异,但还应注意不要使光束直接投射到传感器上。

检测区域

  • 安装设备时,请确保必须完全通过检测区域才能到达设备的危险区域。此外,在设备的危险区域进行作业时,请确保部分或整个身体留在检测区域内。若未检测到人体,则会导致重伤甚至死亡。
  • 请勿使用任何反射型或回归反射型设备。
  • 请将相对的投光器和受光器按相同配套型号(光轴间距、光轴数相同)从上下方向对齐设置。若将不同配套型号进行组合设置,则会因传感器检测不到,而造成重伤甚至死亡。
  • 如果相对1个投光器(或受光器)连接多个受光器(或投光器),则会因传感器检测不到或相互干扰,而导致重伤甚至死亡。

正确的安装方法

错误的安装方法

安全距离

  • 准确地计算安全距离,设备的危险区域及本装置的检测区域之间的距离,应始终大于安全距离。(关于计算公式,请根据最新的标准确认。)若错误计算安全距离或没有留出足够的距离,则会因在到达设备危险区域前不能紧急停止,而导致重伤甚至死亡。
  • 设计系统时,请参阅使用本装置的当地相关标准,再设置本装置。
  • 当人垂直进入(正常进入)传感器检测区域时,安全距离的计算公式如下所示。
  • 侵入方向与检测区域不垂直时,请务必确认相关标准(当地标准及设备标准等)。

欧洲(EU)(依照EN ISO 13855)(也适用于ISO 13855/JIS B 9715)

侵入方向与检测区域垂直时

  • 计算公式1 S=K×T+C
S:安全距离(mm)
检测区域线上方(表面上方)和设备的危险区域中,检测区域至最近位置间所需的最小距离。
K:人体或物体的侵入速度(mm/s)
通常以SF2B-H□2,000(mm/s)、SF2B-A□1,600(mm/s)计算。
T:所有装置系统的反应时间(s)
T=Tm+TSF2B
Tm:设备的最大停止时间(s)
TSF2B :本装置的反应时间0.015(s)
C:由本装置的最小检测物体尺寸计算出的追加距离(mm)
但C值不可小于等于0。
C=8×(d-14)
d:最小检测物体的直径(mm)
SF2B-H□:d=27(mm)、C=104(mm)
SF2B-A□时,C=850(mm)(固定)。
• 计算安全距离S 时, 有如下5 种情况。首先, 把K =2,000(mm/s)代入上述公式进行计算。
  得出的计算结果分为1)S<100、2)100≤S≤500、 3)S>500。
  当结果为3)S>500时,以K=1,600(mm/s)代入上述公式进行再次计算。此时的计算结果分为4)S≤500、5)S>500。详情请参阅使用说明书

适用于美国(依照ANSI B11.19)

  • 计算公式2 S=K×(TS+TC+TSF2B+Tbm)+Dpf
S:安全距离(mm)
检测区域线上方(表面上方)和设备的危险区域中,检测区域至最近位置间所需的最小距离。
K:侵入速度[OSHA推荐值为63(inch/s)≈1,600(mm/s)]。ANSI B11.19没有详细说明侵入速度K。决定K值时,应考虑包括操作人员体力在内的诸多因素。
TS:最终通过停止控制元件(空气阀等)测量的设备的停止时间(s)
TC:使设备的制动器动作所需的设备控制电路的最大反应时间(s)
TSF2B:本装置的反应时间0.015(s)
Tbm:制动监控器允许增加的停止时间(s)
Tbm=Ta-(TS+TC)
Ta:制动监控器设定时间(s)
若设备无制动监控器,可将(TS+TC)的20%以上作为追加停止时间。
Dpf:由本装置的最小检测物体尺寸计算出的追加距离(mm)
SF2B-H□ Dpf=2.676(inch)≒68(mm)
SF2B-A□ Dpf=5.355(inch)≒136(mm)
Dpf=3.4×(d-0.276)(inch)
    ≒3.4×(d-7)(mm)
d:最小检测物体的直径1.063(inch)≒27(mm)SF2B-H□
   最小检测物体的直径1.851(inch)≒47(mm)SF2B-A□

光泽面的影响

  • 安装本装置时,应考虑周围反射性表面的影响,并采取涂装反射面、遮掩、加粗反射面、变更反射面的材质等适当措施。若不考虑光泽面的影响问题而不采取措施,则光幕传感器检测不到,可能导致重伤甚至死亡。
  • 设置时,请从光反射率高的表面起留出下述值以上的间隔。
侧视图
顶端视图
投光器和受光器间的距离
(设定距离L)
允许设置距离A
0.2m ≦ L ≦ 3m时0.32m
3m < L ≦ 13m时
(注1)
L/2×tan2θ=L×0.106(m)
(θ=6°)
(注1):使用SF2B-CB05-B时,检测距离L为0.3~5m。
(注2):本装置的有效开口角度根据IEC 61496-2/UL 61496-2为±5°(L>3m时)以下,但考虑到安装时的光轴偏移等因素,估计有效开口角度为±6°,请离开光泽面进行设置。

故障排除

投光器侧

现 象原 因处 理
所有的指示灯
熄灭
未通电。请确认电源容量是否充足。
请正确连接电源。
电源电压不在规
格值内。
请提供规格值内的电源电压。
连接器没有连接
好。
请连接好连接器。
工作状态指示灯一直亮红灯(没有入光)
〔OPERATION〕
投・受光器之间的光轴未对齐。请调整光轴。
投光停止指示
灯(橙色)亮起
〔HALT〕
进入投光停止状态。请对测试输入(投光停止)线进行正确配
线。
使用电缆不同,逻辑也不同。
同步线配线异常。请对同步线进行正确配线。
受光器侧未动作。请进行受光器侧检查。
防干扰电线配线异常。
(使用SF2B-CB05-B时:设定在子机侧)
请对防干扰电线进行正确配线。
主机/子机侧设定异常。
(使用SF2B-CB05-B时 :设定在主机侧)
请将主机/子机的设定设为主机侧。
主机侧不动作。请进行主机侧检查。
异常指示灯
(黄色)亮起
或闪烁
〔FAULT〕
【闪烁1次】
总光幕传感器数/
总光轴数异常。
请正确连接端帽。
请正确连接串联连接用电缆。
请确认串联连接专用辅助传感器的机型(投光器和受光器)。请将串联连接光幕传感器数、总光轴数设定在规格值内。
【闪烁2次】
辅助输出异常。
请对辅助输出线进行正确配线。
【上述情况除外】
干扰、电源等的影响或内部电路的故障。
请确认本装置的周围干扰环境。
请确认配线、电源电压、电源容量。如果
还不能正常动作,请与本公司联系。

受光器侧

现 象原 因处 理
所有的指示灯熄灭未通电。请确认电源容量是否充足。
请正确连接电源。
电源电压不在规格值内。请提供规格值内的电源电压。
连接器没有连接好。请连接好连接器。
O S S D 指示灯
一直亮红灯
(没有入光)
〔OSSD〕
投・受光器之间的光轴未对齐。请调整光轴。
投・受光器之间的光轴数不同。请调整至相同的光轴数。
主机/子机的设定不同。
(使用SF2B-CB05-B时)
请调整至相同的设定。
稳定入光指示灯(橙色)亮起
〔STB〕
投・受光器之间的光轴未对齐。请调整光轴。
异常指示灯
(黄色)亮起
或闪烁
〔FAULT〕
【数字式故障指示灯:1 】
总光幕传感器数/光轴数
异常。
请正确连接端帽。
请正确连接串联连接用电缆。
请确认串联连接专用辅助传感器的机型(投光器和受光器)。
请将串联连接光幕传感器数、总光轴数设定在规格值内。
【数字式故障指示灯:2 】
控制输出(OSSD1、
OSSD2)异常。
请对控制输出(OSSD1OSSD2)进行正确配线。
【数字式故障指示灯:4 】
干扰光异常。
请勿使干扰光入光至受光器。
【数字式故障指示灯:7 】
外部设备监控异常。
请对外部设备监控输入线进行正确
配线。
请更换继电器。
请更换为反应时间恰当的继电器。
【数字式故障指示灯:6 】
底部连接器异常。
请确认底部连接器的种类。
受光器侧电缆颜色:灰色(带黑线)
【上述情况除外】
干扰、电源等的影响或
内部电路的故障。
请确认本装置的周围干扰环境。
请确认配线、电源电压、电源容量。
如果还不能正常动作,请与本公司联系。

隅角镜

  • 请务必根据光幕传感SF2B系列的使用说明书进行维护。
  • 如果隅角镜的反射面上附着污垢、水、油等请勿使用。如果扩散或弯曲将无法确保合适的检测范围。
  • 请务必在了解产品附带的使用说明书的基础上,再根据设置条件设置隅角镜及光幕传感器。若不满足设置条件,则可能出现意想不到的错误入光状态,从而导致重伤甚至死亡。
  • 使用说明书可从网站上进行下载。
  • 使用隅角镜时,请勿将光幕传感器SF2B系列作为回归反射型使用。
  • 隅角镜的反射面材质为玻璃。破损时会有碎玻璃飞溅,敬请注意。