| 所属类型: | 数字位移传感器 |
| 品 牌: | 松下 |
| 产 地: | 日本 |
| 状 态: | 在产 |
| 特 点: | 高精度测定。搭载自主监控功能 |
淋漓尽致的测量性能。
|
![]() | ![]() | ![]() |
CE
、FDA
、UKCA
已取得。
2020年11月 追加新功能。
可连接数字变位传感器控制器的通信单元「数字变位传感器用通信单元 SC-HG1」。 |

数字位移传感器HG-S系列/HG-T系列和数字位移传感器用通信单位SC-HG1组合使用时、可对应自主监控功能。
>>HG-S / HG-T 自主监控功能
![]()
>>数字位移传感器用通信单元 SC-HG1
|
采用厚度8mm的薄型形状,可安装在装置内等受限的空间里。
|
采用光幅10mm的带状激光,可实现尺寸测量和位置测量。
|
实现重复精度※11μm的高精度测量。
|
| ● | 取样周期从2种中选择 标准:1ms,高速:0.5ms |
|---|---|
| ● | 平均次数从11种中选择 1次、2次、4次、8次、16次、32次、64次、128次、256次、512次、1,024次 |
| ※1: | 在设置距离的中央位置,是半遮光數位測量值偏差的P-P值。 |
|---|
传感器头部的受光端备有「标准型」和「窄长型」。
|
传感器头部标准型HG-T1010专用的侧视插件(另售)。光轴可从直角弯曲 ,可实现自由的安装。
|
|
传感器光头标准型HG-T1010、对投光端而言受光端位置的偏移都可以通过控制器上的显示部进行受光端的光轴调整,简单清晰。
※传感器光头标准型HG-T1110、带有控制器的显示部。
|
|
|
传感器光头通过连接电缆连接,投·受光端的位置关系可在控制器启动时自动判别。 所以在投・受光器的配线时,需要分别识别电缆。配线作业时,可以实现简单配线的连接器连接。 | ![]() ※传感器光头的连接电缆的传感器光头端,为两股电缆无法区别投光端和受光端。 |
传感器光头采用兼具轻量和强度的铝压铸外壳。可以将温度对于测定精度的变化抑制在小范围内。此外,与树脂外壳相比螺钉紧固的外壳更加歪斜情况更少,时间久也不容易发生变化,防止光轴的偏移。 | ![]() |
实现保护构造IP67(IEC)、可用于水和灰尘较多的现场。
|
|
|
|
|
|
|
|
| (注1): | 位于设置距离的中央位置,一半遮光时,数字测量值偏差的P-P值。 |
|---|---|
| (注2): | 按照FDA规定的Laser Notice No.50(2007.6.24)的规定、按照FDA规定的(21 CFR 1040.10和1040.11)规定。 |
| 品名 | 形状 | 型号名称 | 电缆长度 | 内容 |
|---|---|---|---|---|
| 传感器光头 连接电缆 | ![]() | CN-HT-C2 | 2m | 传感器头部与控制器连接的电缆。 传感器头部端时两股电缆、无投光器与受光器的区别。 |
| CN-HT-C5 | 5m | |||
| CN-HT-C10 | 10m | |||
| CN-HT-C20 | 20m |
| 品名 | 形状 | 型式名 | 输出 | 可连接的台数 | |
|---|---|---|---|---|---|
| 主机 | 高功能 | ![]() | HG-TC101 | NPN开路集电极 | 1台主机最多可连接15台子机 (注1) |
| HG-TC101-P | PNP开路集电极 | ||||
| 子机 | 高功能 | ![]() | HG-TC111 | NPN开路集电极 | |
| HG-TC111-P | PNP开路集电极 | ||||
| 省配线 | ![]() | HG-TC113 | - | ||
| (注1): | 数字变位传感器用通信单元连接时、主机1台、子机最多可以连接14台。 |
|---|
| 种类 | 形状 | 型号 | 内容 |
|---|---|---|---|
| USB 通信单元 (注1) | ![]() | SC-HG1-USB | USB通信用工具软件HG-T Configuration Tool搭配使用、可以在电脑上确认HG-T系列的現状値和设定的内容以及变更。 ※USB通信用工具软件HG-T Configuration Tool可从官网免费下载。 ・通信规格:USB2.0 Full Speed(注2) ・通信协议:本公司专用协议 ・USB端口:USB Mini B(1个端口) ・连接台数 控制器:1台SC-HG1-USB最大15台(主机1台、子机14台) |
| (注1): | USB的通信单元、请勿使用本公司的接触式数字位移传感器HG-S系列。 |
|---|---|
| (注2): | 取决于所使用的PC环境。 |
关于数字变位传感器用通信单元、请到各单元产品页面中确认详情。
>>对应CC-Link IE Field / CC-Link 通信单元
(对应CC-Link IE Field / CC-Link)
>>数字变位传感器用通信单元 SC-HG1(对应EtherCAT / RS-485)
| 品名 | 形状 | 型号 | 输出 |
|---|---|---|---|
| 尾盘 | ![]() | MS-DIN-E | 连接控制机器及数字变位传感器用通信单元时,请务必使用。 |
|
|
| 种类 | 宽度10mm・标准型 | 宽度10mm・窄长型 | |
|---|---|---|---|
| 型号 | HG-T1010 | HG-T1110 | |
| 适用标准 | CE标志(EMC指令、RoHS指令)、UKCA标志(EMC标准、RoHS标准)、FDA规定 | ||
| 配套的控制器 | HG-TC101(-P)、HG-TC111(-P)、HG-TC113 | ||
| 位置检测方法 | CMOS方式 | ||
| 设置距离 | 0~500mm | ||
| 測定幅 | 10mm | ||
| 光源 | 红色半导体激光 1级[JIS / IEC / GB / FDA(注2)] 最大输出:0.3mW、发光峰值波长:655nm | ||
| 重复精度(注3) | 1μm(设置距离20mm时) 2.5μm(设置距离100mm时) 5μm(设置距离500mm时) | ||
| 直线性(注4) | ±0.12%F.S.(设置距离20mm时) ±0.28%F.S.(设置距离100mm时) | ||
| 最小检测物体(注5) | ø0.5mm(设置距离500mm时) | ||
| 温度特性(注6) | ±0.03%F.S./℃ | ||
| 动作指示灯 | 投光器 | 激光放射指示灯(绿色) | |
| 受光器 | 光軸调整指示灯(橙色 / 绿色)、 判定输出指示灯(橙色 / 绿色) | 判定输出指示灯(橙色 / 绿色) | |
| 污损程度 | 2 | ||
| 使用标高 | 2,000m以下(注8) | ||
| 耐环境性能 | 保护构造 | IP67(IEC)(连接器部分除外) | |
| 使用环境温度 | -10~+45℃(应无凝露与结冰)、保存时:-20~+60℃ | ||
| 使用环境湿度 | 35~85%RH、保存时:35~85%RH | ||
| 使用环境照度 | 白炽灯:受光面照度5,000ℓx以下(注7) | ||
| 绝缘电阻 | DC250V兆欧表下20MΩ以上(所有端子-外壳之间) | ||
| 耐振动 | 耐久10~55Hz 复振幅1.5mm XYZ各方向2小时 | ||
| 耐冲击 | 耐久196m/s2 XYZ各方向3次 | ||
| 接地方式 | 电容接地 | ||
| 材质 | 外壳:铝压铸、投・受光面:玻璃 | ||
| 电缆 | 带4芯圆形连接器盾构电缆0.2m | ||
| 本体质量 | 投光器:约30g、受光器:约30g | 投光器:约30g、受光器:约25g | |
| (注1): | 各规格值是指与控制器HG-TC□相组合时基于数字测量值所得出的数值。 如未指定,则使用以下规格条件:、使用环境温度=+20℃、控制器平均次数的设定值:16次、测量物体:不透明体刀的边缘、设置距离:100mm、测量物体的位置条件:位于设置距离的中央位置,一半遮光。 |
|---|---|
| (注2): | 按照FDA规定的Laser Notice No.50(2007.6.24)的规定、符合FDA规定(21 CFR 1040.10および1040.11)的标准。 |
| (注3): | 位于设置距离的中央位置,一半遮光时,数字测量值偏差的P-P值。 |
| (注4): | 表示相对于数字测量值的理想直线的误差。 |
| (注5): | 位于设置距离500mm的中央位置遮光时。 |
| (注6): | 位于设置距离100mm的中央位置、一半遮光时。 |
| (注7): | 控制器的采样周期设定为"标准采样周期"时。 |
| (注8): | 请勿在标高0m加压压力超过大气压的环境中进行使用或者保存。 |
| 种类 | 主机 | 子机 | ||
|---|---|---|---|---|
| 高功能型 | 高功能型 | 省配线型 | ||
| 型号 | NPN输出 | HG-TC101 | HG-TC111 | HG-TC113 |
| PNP输出 | HG-TC101-P | HG-TC111-P | ||
| 适用标准 | CE标志(EMC指令、RoHS指令)、UKCA标志(EMC标准、RoHS标准) | |||
| 配套的传感器头部 | HG-T1010、HG-T1110 | |||
| 控制器最大连接台数 | 1台主机最多可连接15台子机(注2) | |||
| 电源电压 | 包括24V DC±10% 波纹0.5V(P-P) | |||
| 消耗电流(注3) | 100mA以下(连接传感器头部时) | |||
| 模拟输出 (切换式) (注4) | 模拟 电压输出 | • 电压输出范围:1~5V/F.S.(初始值) • 直线性:±0.05%F.S. • 报警时输出:5.2V • 输出阻抗:100Ω MAX. | - | |
| 模拟 电流输出 | • 电流输出范围:4~20mA/F.S.(初始值) • 直线性:±0.25%F.S. • 报警时输出:0mA • 负载阻抗:250Ω MAX. | |||
| 控制输出 (输出1、输出2、输出3) | <NPN输出型> NPN开路集电极 • 最大输入电流:50mA(注5) • 施加电压:30V DC以下(输出-0V间) • 漏电流:1.5V以下(输入电流:50mA下) • 漏电流:0.1mA以下 <PNP输出型> PNP开路集电极 • 最大流出电流:50mA(注5) • 施加电压:30V DC以下(输出-+V间) • 残留电压:1.5V以下(输出电流:50mA下) • 漏电流:0.1mA以下 | - | ||
| 短路保护 | 配备(自动复位式) | |||
| 判定出力 | N.O. / N.C. 切换式 | |||
| 报警输出 | 报警时开路 | |||
| 外部输出切换 | 可将输出1/2/3切换为3值、2值、逻辑、逻辑2 | - | ||
| 外部输入 (输入1、输入2、输入3) | <NPN输出型> NPN无接点输入 开路集电极 • 输入条件 无效:+8V~+V DC或者开放 有效:0~+1.2V DC • 输入阻抗:约10kΩ <PNP输出型> PNP无接点输入 开路集电极 • 输入条件 无效:0~+0.6V DC或者开放 有效:+4V~+V DC • 输入阻抗:约10kΩ | - | ||
| 输入时间 | • 触发输入:2ms以上(ON) • 激光停止投光输入、预置输入、复位输入、Bank输入A/B(注6):20ms以上(ON) | |||
| 外部输入切换 | 可将输入1/2/3切换为预置/复位/触发动作、预置/触发/激光停止投光、 Bank输入A/Bank输入B/预置、Bank A/Bank B/复位、Bank A/Bank B/触发 | - | ||
| 采样周期 | 1ms(标准采样) / 0.5ms(高速采样) | |||
| 平均次数(响应时间)(注6) | 1次(2ms)、2次(3ms)、4次(5ms)、8次(9ms)、16次(17ms)、32次(33ms)、64次(65ms)、128次(129ms)、256次(257ms)、512次(513ms)、1,024次(1,025ms) 切换式 | |||
| 显示分辨率 | 1μm | |||
| 显示范围 | -199.999~199.999mm | |||
| 防止干扰功能 | 配备(注7) | - | ||
| 污损程度 | 2 | |||
| 使用标高 | 2,000m以下(注8) | |||
| 耐 环 境 性 | 保护构造 | IP40(IEC) | ||
| 使用环境温度 | -10~+50℃(应无凝露)(注5)、保存时:-20~+60℃ | |||
| 使用环境湿度 | 35~85%RH、保存时:35~85%RH | |||
| 耐电压 | AC1,000V 1分钟(整个充电部分-外壳之间) | |||
| 绝缘电阻 | DC250V兆欧表下20MΩ以上(整个充电部分-外壳之间) | |||
| 耐振动 | 耐久10~150Hz 复振幅0.75mm(10~58Hz) 加速度49m/s2(58~150Hz) XYZ各方向2小时 | |||
| 耐冲击 | 98m/s2(约10G) XYZ各方向5次 | |||
| 材质 | 外壳部分:聚碳酸酯、盖板:聚碳酸酯、开关:聚碳酸酯 | |||
| 电缆 | 0.2mm2 2芯(茶、蓝导线)/ 0.15mm2 7芯复合线缆2m | 0.15mm2 7芯复合线缆2m | - | |
| 重量 | 约140g | 约140g | 约60g | |
| (注1): | 如为指定测试条件、则使用电源电压=+24V DC、使用环境温度=+20℃的测量条件。 |
|---|---|
| (注2): | 与数字位移用通信单元连接时,一台主机最多可以连接14台子机。 |
| (注3): | 消耗电流中不包含模拟电流输出。 |
| (注4): | 以直线性的电流输出时:F.S.=16mA、电压输出时:F.S.=4V的测量条件。 |
| (注5): | 主机与子机连接时、根据子机的连接台数不同、控制输出的最大流入、流出电流及使用环境温度如下表所示有所不同。 |
| 子机连接台数 | 控制输出的 最大流入/流出电流 | 使用环境温度 | |
|---|---|---|---|
| 与数字位移传感器用 通信单元连接时 | |||
| 1~7台 | 1~6台 | 20mA | -10~+45℃ |
| 8~15台 | 7~14台 | 10mA | |
| (注6): | 平均次数(响应时间)是将采样周期设定为1ms(标准采样)时得出的数值。将采样周期设定为0.5ms(高速采样)时,响应时间会有所不同。 |
|---|---|
| (注7): | 它在每4个连接的控制器之间工作。![]() |
| (注8): | 请勿在在标高0m的大气压以上加压的环境中使用和保存。 |
HG-T系列・自主监控功能一栏
| 状态 | 状态 | 对策方法 | 错误代码 (注1) | 报警 (注1) |
|---|---|---|---|---|
| 通知 | 检测头未连接 | 确认状态 | E200 | — |
| 连接检测头不适合 | 确认状态 | E230 | — | |
| 连接台数检查错误 | 确认状态 | E160 (仅主机) | — | |
| NPN/PNP输出型并存错误 | 确认状态 | E100 (仅主机) | — | |
| 运算台数错误 | 确认状态 | E110 (仅主机) | — | |
| 复制执行错误(子机异常) | 确认状态 | E170 (仅主机) | — | |
| 检测能力极限(获取边缘)(注2) | 检测物体确认 | — | 测量报警1 | |
| 因干扰光等的影响、而导致入光量过多(注2) | 确认状态 | — | 测量报警1 | |
| 因检测面脏污或光轴偏移等而导致入光量过低 | 确认检测物体 | — | 测量报警2 | |
| 设定的测量方向与检测物体的插入方向不同 | 确认状态/确认检测物体 | — | 测量报警2 | |
| 注意 | 超出控制器累计运行时间 (87,600小时) | 更换控制器 | — | — |
| 超出检测头累计运行时间 (87,600小时) | 更换传感器 | — | — | |
| 超出控制器存储器保存次数 (100万次) | 更换控制器 | — | — | |
| 超出检测头存储器保存次数 (仅受光器、100万次) | 更换传感器 | — | — | |
| 异常 | 控制器存储功能损坏 | 更换控制器 | E600 | — |
| E610 | ||||
| E620 | ||||
| 检测头存储功能损坏 | 更换传感器 | E630(仅受光器)、 E640(仅投光器) | — | |
| 输出部分短路错误 | 确认状态/更换 | E700 | — | |
| 检测电路损坏 | 更换检测头 | E240 | — | |
| 系统异常 | 更换控制器 | E900 | — | |
| E910 | ||||
| E911 | ||||
| E912 | ||||
| E920 |
| (注1) | : | 错误代码与报警在控制器HG-TCHG-TC□中显示。 |
|---|---|---|
| (注2) | : | 在「报警时状态选择(ALM.CND)」中选择「保持上次值(HOLD)」时、不会进行通知。 |
| 种类 | USB通信单元 | |
|---|---|---|
| 型号 | SC-HG1-USB | |
| 符合标准 | CE标志(EMC指令、RoHS指令)、UKCA标志(EMC标准、RoHS标准) | |
| 使用控制器 | HG-TC□ | |
| 控制器最大连接台数 | 1台SC-HG1-USB上最多可连接15台(主机1台、子机14台) | |
| 电源电压(注2) | 24V DC±10% 容许纹波P-P10%以下(电源电压范围内) | |
| 消耗电流 | 50mA以下 | |
| 通信规格 | USB2.0 Full Speed(注3) | |
| 通信协议 | 本公司专用协议 | |
| USB端口 | USB Mini B(1个端口)(注4) | |
| 污损程度 | 2 | |
| 使用标高 | 2,000m以下(注5) | |
| 耐 环 境 性 | 保护构造 | IP40(IEC) |
| 使用环境温度 | -10~+45℃(但是应无结冰和凝露)、保存时:-20~+60℃ | |
| 使用环境湿度 | 35~85%RH、保存时:35~85%RH | |
| 耐电压 | AC1,000V 1分钟 整个充电部分-外壳之间 | |
| 绝缘电阻 | DC250V兆欧表下20MΩ以上 | |
| 耐振动 | 耐久10~150Hz 复振幅0.75mm(10~58Hz) 最大加速度49m/s2(58~150Hz) XYZ各方向2小时 | |
| 耐冲击 | 耐久98m/s2(约10G) XYZ各方向5次 | |
| 材质 | 本体外壳:聚碳酸酯 | |
| 重量 | 本体重量:约35g、包装重量:約95g | |
| (注1): | 如未指定,则使用环境温度=+20℃的测量条件。 |
|---|---|
| (注2): | 由所连接的控制器和主机来供电。 |
| (注3): | 取决于所使用的PC环境。 |
| (注4): | 不附带用于连接计算机的USB2.0线缆(Mini B)。 请另外准备USB2.0线缆(miniB)。 |
| (注5): | 请勿在标高0m加压压力超过大气压的环境中进行使用或者保存。 |
关于其他的通信单元、请到各单元产品页面中确认详情。
>>对应CC-Link IE Field / CC-Link 通信单元
![]()
>>数字变位传感器用通信单元 SC-HG1
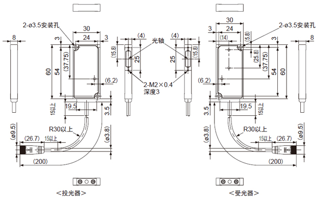
传感器头部(标准型)
|
传感器头部(窄长型)
|
侧视附件(另售)
|
|
控制器(主机)
|
控制器(子机)
|
控制器(子機)
|
传感器头部连接线缆
|
| 型号 | A | B |
|---|---|---|
| CN-HT-C2 | 2,000 | 500 |
| CN-HT-C5 | 5,000 | 500 |
| CN-HT-C10 | 10,000 | 1,000 |
| CN-HT-C20 | 20,00 | 1,000 |
USB通信单元
|
关于通信单元、请到各单元产品页面中确认详情。
>>CC-Link IE Field / CC-Link 通信单元 尺寸图
![]()
>>数字变位传感器用通信单元 SC-HG1 尺寸图
尾盘(另售)
|
| 品名 | 形状 | 型号名称 | 输出 |
|---|---|---|---|
| 侧视插件 | ![]() | HG-TSV10 | 传感器光头HG-T1010专用。 可以将光轴直角弯曲,实现自由的安装。 M2(长4mm)带垫圈螺丝2个。 ※安装投・受光器时、需要2个。 ※请务必事先在实机上进行确认后方可使用。 |
|
|
|
|
|
|
| ・ | 网站所刊登的内容是为选型提供参考,如使用时请务必确认手册说明书。 |
|---|
备有「HG-T系列用户手册」。
可从网站下载。
| ※ | 本产品遵循FDA法规中的Lazer Notice No.50(2007.6.24)的规定、符合FDA法规(21 CFR 1040.10及1040.11)。 |
|---|
关于HG-S控制器与HG-T控制器组合使用时、请参考以下页面。
>>关于HG-S与HG-T的组合使用
![]()
| ・ | 请勿使检测头的投/受光面附着水、油、指纹等会导致光线折射的痕迹,亦或是灰尘、杂物等会阻断光线的物质。 |
|---|---|
| ・ | 请避免让太阳光等外部散乱光线直接进入检测头受光部。对于精度要求较高的情况,请在检测头处安装遮光板等后再开始使用。 |
| ・ | 检测头在投/受光面的反面均记载有序列号。请务必组合使用同一序列号的投光器和受光器。 |
|
| ![]() |
| ![]() |
| ![]() |
| ![]() |
| ・ | 将子机连接到母机或从母机上拆下时,请务必先切断电源。如果在接通电源的状态下连接或拆卸,可能导致控制器破损。 |
|---|---|
| ・ | 请将连接用公连接器牢固地插到连接用母连接器底部。连接不充分可能导致控制器破损。 |
| ・ | 将子机连接到母机时,请确保同为NPN输出型或同为PNP输出型。不同的输出型无法进行 连接。 |
| ・ | 连接时,请务必安装到DIN导轨上。此时,请在两端安装端板MS-DIN-E(另售)。 |
| ・ | 控制器HG-TC系列只有与专用检测头HG-T系列组合使用,方可满足规格要求。如果不与专用检测头组合使用,不仅无法满足规格要求,还可能导致故障等。 |
|---|---|
| ・ | 请务必使用绝缘变压器等对控制器的直流电源进行绝缘。 |
| ・ | 使用自耦变压器(单卷变压器)等时,可能会产生短路,导致主机或电源破损。此外,如果进行错误安装或连接,可能会产生短路,导致主机或电源破损。 |