系列详情

ER-V 超小型静电消除器

所属类型:静电消除器
品       牌:松下
产       地:日本
状       态:在产
特       点:超小型设计
高功能,无需控制器
设计安全,维护简单

消除静电的新款式
超小型·高性能静电消除器

CE Marking cTUVus Certificate

UL 、CE 、CSA 已取得。
CE : EMC指令
UL, CSA : NRTL认证(Certified by TÜV SÜD America Inc.)(仅限ER-VS02)

特点

具有卓越的离子平衡性能,质量得到公认的“ER-VS”进一步提高稳定性,焕然一新

调整放电针的前端形状,从而进一步提高离子生成能 力的稳定性

将放电针的前端形状调为最佳状态,从而进一步提高离子生成能力的稳定性(正在申请专利)

对针的前端实施球面加工,从而使前端形状不易因放电而发生经时变化,可更加稳定地生成离子。

还提高了维护周期

提高离子生成能力的稳定性,还有助于提高维护周期。
将维护周期提高到1个月以上※。(※根据本公司规定的条件)

喷嘴种类丰富,可根据用途进行选择

除簇射喷头、喷管等8种标准喷嘴外,还备有各种形状 的喷嘴(包括接单生产)。

造就良好离子平衡

造就良好离子平衡

超小型设计,可在狭小的位置瞄准工件,进行有效的静电消除

109×27×28mm的超小规格本体,可轻松组装到装置内部,或者设备的背部。并且,主体内置有高压电源,除了静电消除部外无需额外的安装空间。

超小型设计,可在狭小的位置瞄准工件,进行有效的静电消除

高功能,无需控制器

本体具有的丰富功能,充分考虑到生产现场使用的简便性,且无需控制器。


放电停止输入

可通过外部设备的输入信号使放电ON/OFF。可用传感器等检测工件,仅在需要使用时产生离子。

放电停止输入

放电指示灯

放电的ON/OFF状态可通过LED指示灯确认。可预先避免电源ON但却没有放电的异常情况。

放电指示灯

设计安全、维护简单

放电针可从本体后部拔出,因此更换针时无需拆卸喷嘴。即使离子喷嘴靠近工件安装,也可简单进行维护。

设计安全、维护简单

安全设计

具有“检查功能”和“非正常放电监控功能”,能自动提示放电针的清洁、更换时期,可预防非正常放电导致的故障。各种功能都可以通过LED指示灯确认。并且还能利用各种功能的输出,从外部对静电消除器的工作状态进行监控。

安全设计

低消耗电量&低电压接线

电源电压为24V DC,消耗电量仅为70mA以下。
此外,无需高压电缆可保证操作安全。

放电针有喷嘴保护

放电针未暴露在外,无需担心意外接触。此外,靠近金属物体时也不用担心漏电。

放电针有喷嘴保护

用途

消除大型玻璃电路板上的静电

消除大型玻璃电路板上的静电

除去透镜上的静电及灰尘

除去透镜上的静电及灰尘

消除电子零部件小光点上的静电

消除电子零部件小光点上的静电

电路板上LED的放电破坏保护

电路板上LED的放电破坏保护

除去继电器和开关接点上的静电及灰尘

除去继电器和开关接点上的静电及灰尘

种类

静电消除器本体

静电消除器本体不附带喷嘴和带连接器电缆。请务必另行订购喷嘴及带连接器电缆。

种类形状静电消除时间
(±1,000V→±100V)
离子平衡型号
焦点型
※照片为装有簇射喷嘴时的状态
1秒(注1)±10V以下(注1)ER-VS02NEW
(注1):使用电源电压为24V、距离送风口前部100mm、使用簇射喷嘴的情况下,外加压力为0.25MPa时的代表示例。
(从放置在相对湿度为65%RH以下空气中24小时以上的样例测得)

喷嘴/导管

静电消除器本体不附带喷嘴。请务必另行购买喷嘴。

品名形状型号内容
簇射喷嘴ER-VASER-VAS使空气扩散。
直线型
(注1)
直线型 ER-VAB020 除电有效长度
200mm
利用直线型喷嘴,可确保较广的除电有效区域。
ER-VAB032除电有效长度
320mm
ER-VAB065除电有效长度
650mm
形状
保持型
(注2)
连接型
喷嘴
形状保持型ER-VAJK静电消除器本体和形状保持导管连接用喷嘴。
 ER-VAK10导管长度
112mm
可简单地保持弯曲形状,因此无需对导管进行固定。
(导管直径:ø10mm、
最小弯曲半径:R40mm)
ER-VAK30 导管长度
312mm
ER-VAK50导管长度
512mm
挠性型连接型
喷嘴
挠性型 ER-VAJT-64 静电消除器本体和挠性型异管连接用喷嘴。
  ER-AT50 导管长度
500mm
可任意弯曲的导电性导管。由于可任意进行裁切,因此适用于各种途径。
(导管直径:ø6mm、
最小弯曲半径:R15mm)
直线型&
可弯曲管型
ER-VAB-ATER-VAB-AT导管长度
500mm
将直线型喷嘴连接到可任意弯曲、裁切的传导电子管上。
(导管直径:ø8mm、
最小弯曲半径:R25mm)
适用喷嘴:直线型喷嘴(静电消除有效长度320mm以下的喷嘴)
ER-VAB-ATLER-VAB-ATL导管长度
500mm
(注1):并非记载的除电有效长度时,作为接单生产品处理,除电有效长度的范围为100mm~640mm,单位为10mm。
型号:ER-VAB□N(除电有效长度为180mm时:ER-VAB018N)
详情请咨询。
(注2):根据记录中导管长度将做短的保持套管作为订单生产件进行对应。
详情请咨询。

带连接器电缆

静电消除器本体不附带带连接器电缆。请务必另行订购带连接器电缆。

形状型号内容
ER-VCCJ2长度:2m、本体重量:约52g截面积为0.15mm2的8芯单侧带
连接器
橡皮电缆
电缆外径:φ4.2mm
ER-VCCJ5长度:5m、本体重量:约120g
ER-VCCJ9长度:9m、本体重量:约240g

生产终止(预定)品

以下商品为生产终止预定品。

推荐替代品并不保证与生产终止品的规格保持一致。
使用时,请参照产品目录的详细规格进行确认。

生产终止(预定)品推荐替代品
商品名订货产品号终止时间 订货产品号系列名备注
静电消除器ER-VS012013年9月30日ER-VS02 超小型静电消除器[高频AC方式] ER-V

规格

静电消除器本体

种类 焦点型
型号ER-VS02ER-VS01
静电消除时间
(±1,000V→±100V)
1秒以下(注2)
离子平衡±10V以下(注2)
臭氧产生量0.03ppm以下(注3)
使用流体空气(干燥的洁净空气)(注4)
供应空气流量500l/min. (ANR)以下(注5)
耐压范围0.05~0.7MPa(注5)
电源电压24V DC±10%
消耗电流70mA以下
放电方式高频AC方式
放电输出电压约2,000V
检查输出(CHECK)NPN开路集电极晶体管
・最大流入电流:50mA
・外加电压:30V DC以下(检查输出和0V之间)
・剩余电压:1V以下(流入电流为50mA时)
 输出动作检测到放电针有污染或磨损等时ON,工作正常时OFF
短路保护配备
故障输出(ERROR)NPN开路集电极晶体管
・最大流入电流:50mA
・外加电压:30V DC以下(故障输出和0V之间)
・剩余电压:1V以下(流入电流为50mA时)
 输出动作检测到非正常放电时OFF,工作正常时ON
短路保护配备
放电停止输入
(DSC OFF)(注7)
与0V短接:停止放电
断开:允许放电(动作开始)
复位输入(RESET)检测到非正常放电而将放电电路断开时,通过与电源的0V短接后再断开,可重启放电电路。


电源(POWER)绿色LED(通电时点灯)
放电(DSC)(注7)绿色LED(放电时点灯)
检查(CHECK)橙色LED(检测到放电针上有灰尘或磨损时亮起)
故障(ERROR)红色LED(检测到非正常放电时亮起)



使用环境温度0~+55℃(注意不可结露)
使用环境湿度35~65%RH
耐振动频率10〜150Hz 双振幅0.75mm X,Y和Z方向各2小时
电缆带连接器电缆,长0.5m
材质外壳:PPS、外罩:不锈钢、放电针:钨
重量本体重量:约120g
附件接线用连接器[Molex生产:外壳(5557-08R)、端子(5556TL)] :1套

(注1):无指定时的测量条件为使用环境温度=+20℃。
(注2):使用电源电压为24V、距离送风口前部100mm、使用簇射喷嘴的情况下,外加压力为0.25MPa时的代表示例。(从放置在相对湿度为65%RH以下空气中24小时以上的样例测得)
(注3):使用电源电压为24V、距离送风口前部300mm、使用簇射喷嘴的情况下,外加压力为0.25MPa时的代表示例。
(注4):干燥的洁净空气是指经过空气干燥器(凝固点约为-20℃程度)和空气滤网(网眼大小月约为0.01μm)产生的空气。
(注5):使用压力范围依据使用的喷嘴而不同。
(注6):请使用2秒以上的持续放电功能确认检查输出。
(注7):「DSC」为「DISCHARGE」的的缩写形式。

喷嘴/导管

种类簇射喷嘴直线型喷嘴200mm直线型喷嘴320mm直线型喷嘴650mm
型号ER-VASER-VAB020ER-VAB032 ER-VAB065
使用压力范围0.05~0.40MPa
静电消除范围200mm320mm650mm
材质不锈钢
附件附件:1个、树脂导管:1根附件:1个、树脂导管:1根、直线型喷嘴支座:1套

(注1):无指定时的测量条件为使用环境温度=+20℃。

种类形状保持管连接喷嘴导电子管连接喷嘴
型号ER-VAJKER-VAJT-64
气压范围0.02~0.5MPa0.02~0.7MPa(最大外加压力因导管长度而异。参阅下图)
材质不锈钢不锈钢
消耗空气流量30~250l/min.(ANR)20~160ℓ/min.(ANR)(外加压力0.02~0.7MPa时)
附件附件(白色):1个、树脂导管:1根附件(白色):1个、树脂导管:1根

(注1):无指定时的测量条件为使用环境温度=+20℃。

种类形状保持管导电性导管
型号ER-VAK10ER-VAK30ER-VAK50ER-AT50
导管长度112mm312mm512mm500mm
材质导管内部:铝、导管外壳:高密度聚乙烯、端盖:不锈钢 聚氨脂
气压范围0.02~0.5MPa0.02~0.7MPa
最小弯曲半径R40mm以上R15mm以上

(注1):无指定时的测量条件为使用环境温度=+20℃。

种类管接头套件
型号ER-VAB-AT
适用喷嘴直线型喷嘴(除电有效长度320mm以下的喷嘴)
导管长度500mm
材质喷嘴:不锈钢、导电管:聚氨酯
供应空气流量最大200ℓ/min.(ANR)
气压范围0.05~0.4MPa
最小弯曲半径R25mm(导电管部)
附件附件(黑色):1个、树脂导管:1根

(注1):无指定时的测量条件为使用环境温度=+20℃。

导管长度·最大外加压力特性

导管长度·最大外加压力特性

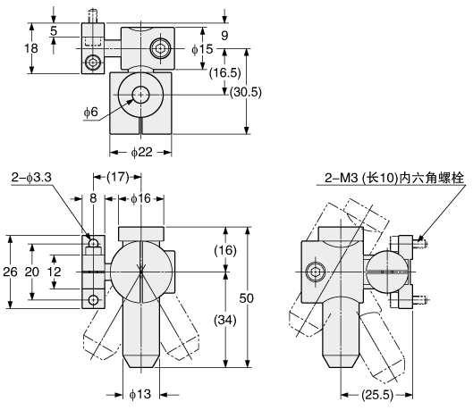
尺寸图

  • 单位mm

ER-VS02
ER-VS01

静电消除器本体

ER-VS02, ER-VS01

簇射喷嘴(ER-VAS)(另售)安装图

簇射喷嘴(ER-VAS)(另售)安装图
(注1):六角旋紧部位16.9mm。

形状保持管、形状保持管连接喷嘴(ER-VAK□、ER-VAJK)(另售)安装图

形状保持管、形状保持管连接喷嘴(ER-VAK□、ER-VAJK)(另售)安装图
(注1):六角旋紧部位16.9mm。

直线型喷嘴(ER-VAB□)(另售)安装图

直线型喷嘴(ER-VAB□)(另售)安装图
(注1):六角旋紧部位16.9mm。

传导电子管连接喷嘴(ER-VAJT-64)(另售)安装图

传导电子管连接喷嘴(ER-VAJT-64)(另售)安装图
(注1):六角旋紧部位16.9mm。

ER-VAK□

形状保持管(另售)

ER-VAK□

ER-AT50

传导电子管(另售)

ER-AT50

ER-VAJK

形状保持管连接喷嘴(另售)

ER-VAJK

ER-AF10

小型管道过滤器(另售)

ER-AF10

ER-VAJT-64

传导电子管连接喷嘴(另售)

ER-VAJT-64

ER-AF20

小型管道过滤器(另售)

ER-AF20

ER-ATH

传导电子管支座(另售)

ER-ATH

ER-VAPS1

AC适配器(另售)

ER-VAPS1

可选件

品名型号内容
传导电子管
支座
ER-ATH 固定传导电子管。
小型管道
过滤器
ER-AF10 处理空气流量
40R/min.(ANR)
除去供应空气中的灰尘等
固形物。
・过滤微粒直径:0.1μm
・过滤效率:99.9%
ER-AF20 处理空气流量
80R/min.(ANR)
AC适配器 ER-VAPS1 ・IN:100~240V AC、50/60Hz、40VA
・OUT:24V DC、750mA
・使用环境温度:0~+40℃
放电针组件 ER-VANT2 带钨针组件(1套)

传导电子管支座

ER-ATH

小型管道过滤器

ER-AF10
ER-AF20

AC适配器

ER-VAPS1

放电针组件

ER-VANT2

停止生产品

以下产品为已停产的产品。

已停产的产品推荐替代品
商品名称订货产品号型号停产日期 订货产品号系列名称备注
放电针单元 ER-VANT ER-VANT 2014年3月31日 ER-VANT2 放电针单元

回路・连接

输入・输出电路图

输入・输出电路图

连接器端子排列图

连接器端子排列图
端子No.端子名称带连接器电缆的导线颜色
(1)0V蓝色
(2)COM(-)-
(3)放电停止输入粉色
(4)复位输入紫色
(5)24V褐色
(6)COM(+)-
(7)检查输出橙色
(8)故障输出黑色
(注1):(1)和(2)在连接器处短接。
(5)和(6)在连接器处短接。

使用注意事项

  • 本产品用作工业静电消除,不具备预防导致人身伤害或财产损失的事故或用于安全、维护所需的控制功能。

安装

  • 将本产品安装到机体上时,请使用M4螺丝。(M4螺丝请另行准备。
  • 如果并排安装本产品,彼此间隔应在5mm以上。如果间距在5mm以下时,静电消除性能可能会受影响。
  • 确保有足够的空间可进行日常检查和维护。
  • 确保接地端子接地。如果本产品未正确接地,静电消除功能将显著下降。
    (使用D型接地或普通电源接地)
  • 如果使用了可选的AC适配器 ER-VAPS1,确保把接地端子连接到电源普通接地端子上。
  • 如果带电物体处于与其它物体接近或接触的状态,即使向其喷射离子也无法获得静电消除效果。因此本产品的设置位置,应保证在带电物体远离其它物体或悬浮在空中的状态下,离子能喷射到带电物体上。

关于喷嘴

  • 静电消除器本体不可单独使用。请务必在装上另售的喷嘴后再使用。
  • 切勿对另售的喷嘴进行改造。如使用改造过的喷嘴,喷嘴内部的压力会上升,导致放电部的监控功能启动,并输出检查信号。
  • 关于另售喷嘴的详请,请参阅喷嘴附带的使用说明书。
  • 请根据用途选择喷嘴。
  • 各喷嘴请在相应的规定气压下使用。
  • 安装空气喷嘴时,请一直旋入至本产品的根部。

配管

  • 安装至本产品空气入口部的空气导管外径应为φ6mm。
  • 请向本产品供应洁净的空气(不含水、油或灰尘等杂质的空气)。

保养·维护

  • 检查和清洁前,请切断电源和供气。
  • 放电针前端尖锐,清洁时请充分注意安全。
  • 如果放电针头粘有污垢,静电消除效果将下降。有检查信号输出时,请清洁放电针。
  • 即使无检查信号输出,也请进行定期清洁。
  • 放电针有使用寿命。建议使用20,000小时后进行更换。请使用ER-VANT2型放电针。
  • 清洁过放电针之后如果仍有检查信号输出,请更换放电针。
  • 有故障信号输出时,可能正发生非正常放电。
    此时请检查下列项目。
    [1]确认电源电压是否在规格范围内。
    [2]检查放电针上有无缺损或污垢,放电针组件是否正常地安装在本体上。如果放电针上有缺损或异物,请进行清洁或更换。
    [3]检查喷嘴内部有无异物,喷嘴的安装、设置是否正常。
    [4]检查接地端子的接地是否可靠。
  • 输出故障信号后,要复位时请输入复位信号。

放电针的清洁步骤

[1]确认电源和供气已切断。
[2]从本体后侧拆下放电针。
[3]用蘸有酒精的棉棒等清洁放电针及其周围的异物。
[4]再次确认放电针上已无线头等异物附着。
[5]清洁完成后,装好放电针。

更换放电针

[1]确认电源和供气已切断。
[2]从本体后侧拆下放电针。
[3]确认新放电针及其周围没有污垢附着后,安装喷嘴。

接线

  • 请务必在切断电源的状态下进行接线作业,否则会有触电的危险。
  • 接线后接通电源之前,请检查确认电路连接是否正确。
  • 接线错误会导致故障。
  • 请确认电源的波动,以免电源输入超过额定范围。
  • 请避免与高压线和动力线并行接线,或使用同一接线管。否则会因电磁感应而导致误动作。

其他

连接本产品的直流电源,请务必采用绝缘变压器等进行 隔离,或者使用选购的AC适配器ER-VAPS1
本产品中使用自动变压器(自耦变压器)等时,有时会因 短路造成本体和电源损坏。

  • 请勿超过额定规格范围使用本产品,否则可能造成故障或事故。并严重缩短产品寿命。
  • 切勿对本产品进行分解、擅自维修或改造,否则可能造成故障或事故。
  • 请勿将本产品扔进火里,否则可能有爆炸或产生有毒气体的危险。
  • 放电针上电压很高,请勿使手指、身体其它部位以及铁丝、工具等金属物品靠近,否则可能导致触电或故障。
  • 本产品并非防爆规格。 请勿用于存在易燃物、可燃物等危险物品的场所,否则可能导致起火。
  • 如果刚切断电源便立即接通,可能会出现异常输出。切断电源后欲重新接通时,须间隔1秒以上。
  • 请勿在蒸气、灰尘等较多的场所或水、油、焊接飞溅物直接接触的环境下使用本产品。
  • 由于本产品释放臭氧,如果有异味请注意空气流通。臭氧存在过久,金属等可能被氧化或腐蚀。 此外,请勿将脸部贴近喷嘴出口或送风口附近确认异味。否则可能会损伤口鼻、咽喉等。
  • 请在接通电源或供应空气前确认接线或配管状态。错误接线或配管会导致故障。
  • 请勿将本产品用于静电消除以外的目的。
  • 本产品不能使用或不需要时,按工业废物的正确程序进行处理。
  • 使用电磁阀等对供给本产品的空气进行ON/OFF控制时,请同时对放电停止输入进行ON/OFF控制。
  • 流体应使用空气(干燥的洁净空气)。含空气(干燥的洁净空气)以外的流体或腐蚀性气体等时,会导致事故或故障。
  • 请勿使用含有如碳粉或灰尘、水或油等异物的气体。这可能造成触电或故障,因此请采取正确的措施,如安装空气过滤器或空气干燥器等进行处理。

小型管道过滤器(另售)

品名小型管道过滤器
型号ER-AF10ER-AF20
项目适用静电消除器ER-VS02ER-SP□
使用流体空气
配管连接形状R1/8、Rc1/8R1/4、Rc1/4
过滤微粒直径0.1μm
过滤效率99.9%
处理空气流量(注1)40ℓ/min(. ANR)80ℓ/min(. ANR)
膜面积29.9cm268.7cm2
最高使用压力0.97MPa
保证耐压1.47MPa
使用环境温度+5~+45℃
材质本体:铝合金(阳极氧化处理)
滤芯:多孔中空线膜
重量本体重量:约11g本体重量:约18g
(注1):可保持过滤器性能的最大处理空气流量。
达最大空气流量时,压力下降约0.1MPa。

配管

<ER-AF20+ER-VS02的安装示例>

  • 如上图所示,请在本产品的两侧安装空气配管用接头,连接至空气配管。
(注1):本产品使用铝合金,请勿对其施加过大的力。
(注2):本产品用于去除固形物。请事先去除水、油等物质。

注意事項

  • 配管前,请务必对配管内进行充分清洗(喷吹压缩空气)。如果混入配管作业中产生的碎屑、密封胶带及锈等,会导致堵塞。
  • 流体请使用不含水、油等的空气(干燥的洁净空气)。水、油等杂质会引起堵塞,从而导致产品性能老化。
  • 使用流体及环境介质中含有下列物质时不可使用。
    • 有机溶剂·磷酸脂系液压油
    • 亚硫酸气体·氯气·酸类
  • 本产品用作工业静电消除。请勿用于保障人身安全。
  • 请勿分解或改造本产品。
  • 废弃本产品时,请按工业废弃物进行处理。

气压下降

  • 插入小型管道过滤器(ER-AF10/AF20)时,空气压力会下降。请调整一次侧压力,使二次侧压力达到静电消除器的使用气压范围。(使用气压范围因喷嘴类型而异,敬请注意。而且,达最大空气流量时,压力下降约0.1MPa。)
  • 外加空气超出最大空气流量,会降低过滤效果,敬请注意。