系列详情

HL-T1 超小型激光线性传感器

所属类型:线性传感器
品       牌:松下
产       地:日本
状       态:在产
特       点:小型检测头高功能智能控制器

在小型传感器检测头中发挥高功能的智能控制器

超小型激光线性传感器 HL-T1
CE Marking FDA

CE 、FDA 已取得。
CE : EMC指令
FDA :仅限HL-T□F

特点

小型检测头

实现了高性能和小型尺寸。节省空间,有助于削减安装空间。

超小型检测头

实现了分辨率4μm的高精度判别

具有4μm(平均次数64次)的高分辨率,可实现高精度的定位和尺寸判别。

实现了分辨率4μm的高精度判别

采用重视安全性的1级激光

采用1级激光(JIS/IEC),无需安全措施。就如使用光电传感器,可放心使用。

长距离检测

实现了HL-T1005A(F)及HL-T1010A(F)500mm、HL-T1001A(F)2m的长距离检测。

细微的光量差异也能进行高精度判别

由于可判别细微的光量差异,玻璃的透明程度和液体的混浊程度也能准确判别。可用百分比显示入光量,因此也能对透射率进行判定。

细微的光量差异也能进行高精度判别

最小检测物体φ8μm HL-T1001A

光束直径φ1mm的激光,可以检测集成电路的接线等微米级的微细物体。

最小检测物体φ8μm HL-T1001A

备有FDA标准适用型号

备有适用于美国出口机械的FDA标准的型号。 [FDA:2级、JIS/IEC:1级]

满载便捷功能

标准受光量设定/自动定标/计测处理(各种定时器功能·各种保持功能)/微分/焦点监控……等,小巧紧凑的体积内装备了丰富多样的功能。 可适用于各种各样的用途。

可进行2个传感器的运算

只需在控制器之间连接运算单元(选购件),即可进行2个传感器的运算(加法、减法)。无需数字式面板控制器。

可进行2个传感器的运算

模拟电流/电压输出可切换

模拟输出可在电流(4~20mA)/电压(±4V)二者之间切换使用。利用焦点监控功能,可选择±5V或0~5V的模拟电压输出范围,以适合各种各样的连接设备。

焦点监控功能

可自由设定线性输出范围(电流4~20mA/电压±4V)。通过并用线性输出的电流/电压切换,可以适应各种各样连接设备的规格。

焦点监控功能

有3种教导方式

可进行3种教导方式:定位教导/2点教导/自动教导。 适合形形色色现场的各种各样用途。

有3种教导方式

实现优异的操作性

可边观察数字显示,边操作十字键,轻松进行所有设定。

实现优异的操作性

检查激光二极管的老化

可对激光二极管的老化进行自诊断。检出老化(使用寿命)时,会在主数字显示屏上指示出错。可将故障防范于未然。

检查激光二极管的老化

能轻松确认判别分辨率

设定为分辨率显示模式时,即可轻松确认分辨率。利用显示的分辨率,可轻松掌握阈值设定的充余度,正确进行可否检测的判断。

能轻松确认判别分辨率

用途

贴装电子元件的姿势确认
贴装电子元件的姿势确认
引线框的就位不良检测
引线框的就位不良检测
晶圆盒内的晶圆检测
晶圆盒内的晶圆检测

种类

检测头

种类形状检测距离检测宽度最小检测物体适用标准
/规则
型号
(注1)
光束直径
ø1mm
2mø1mm
(检测距离500~2,000mm时ø1~ø2.5mm)
ø8μm不透明体
(检测距离500~2,000mm时ø50μm不透明体)
JIS/IECHL-T1001A
FDA/IEC/JISHL-T1001F
检测宽度
5mm
500mm5mmø0.05mm
不透明体
JIS/IECHL-T1005A
FDA/IEC/JISHL-T1005F
检测宽度
10mm
500mm10mmø0.1mm
不透明体
JIS/IECHL-T1010A
FDA/IEC/JISHL-T1010F
(注1):产品的铭牌上所标记的型号带"P"符号的机型为投光器,带"D"符号的机型为受光器。

附件

MS-HLT1-1
[HL-T1001A(F)/HL-T1005(F)用检测头安装支架](注1)

附带2个垫圈的M3螺丝(长20mm)

MS-LA3-1
[HL-T1010A(F)用检测头安装支架](注1)

附带2个垫圈的M3螺丝(长25mm)

CN-HLT1-1
(检测头与控制器的连接电缆):可选件

(注1):如果投光器和受光器需要同时安装,则需要2套。

控制器

种类形状型号输出
NPN输出型HL-AC1NPN开路集电极
晶体管
(判定输出)
电流/电压输出
(线性输出)
PNP输出型HL-AC1PPNP开路集电极
晶体管
(判定输出)
电流/电压输出
(线性输出)

运算单元

形状型号
HL-AC1-CL

规格

检测头

种类光束直径
φ1mm型
检测宽度
5mm型
检测宽度
10mm型


JIS/IEC标准符合
HL-
T1001A
HL-
T1005A
HL-
T1010A
FDA标准符合
HL-
T1001F
HL-
T1005F
HL-
T1010F
组合
控制器
HL-AC1、HL-AC1P
检测距离0〜500mm500〜2,000mm500mm
检测宽度φ1mmφ1〜φ2.5mm5mm10mm
最小检测物体φ8μm
不透明体
φ50μm
不透明体
φ0.05mm
不透明体
φ0.1mm
不透明体
重复精度
(半遮光状态)
4μm(注2)-4μm(注2)
线性输出
分解能(注3)
4μm(注2)(注4) 4μm(注2)
投光指示灯绿色LED(投光时点灯)
干渉防止功能最多2台传感器可紧贴安装(使用控制器防干扰功能时)



使用环境
温度
0〜+50℃(注意不可结露)、
存储时:-25〜+70℃
使用环境
湿度
35〜85%RH、
存储时:35〜85%RH
使用环境
照度
白炽灯:受光面照度10,000lx以下
耐电压AC 1,000V 1分钟 所有电源连接端子与外壳之间
绝缘电阻DC250V高阻表测量100MΩ以上 所有电源连接端子与外壳之间
耐振动频率10〜500Hz 双向振幅1.5mm XYZ各方向2小时
耐冲击加速度300m/s2(约30G) XYZ各方向3次



JIS/IEC标准符合
红色半导体激光 1级(JIS/IEC)
(调制式、最大输出:0.2mW
投光波峰波长:650nm)
红色半导体激光 1级(JIS/IEC)
(调制式、最大输出:0.35mW
投光波峰波长:650nm)
FDA标准符合
红色半导体激光 II级(FDA)
(调制式、最大输出:0.2mW
投光波峰波长:650nm)
(JIS/IEC:1级)
红色半导体激光 II级(FDA)
(调制式、最大输出:0.35mW
投光波峰波长:650nm)
(JIS/IEC 1级)
材质本体外壳:聚醚酰亚胺、外罩:聚碳酸酯、正面防护罩:玻璃
电缆0.09mm2 3芯连接器付单芯屏蔽电缆0.5m
电缆延长用延长电缆(另售),全长可延长至10m
重量本体重量:投・受光器各约15g本体重量:投光器约30g(受光器 约20g)
附件MS-HLT1-1(检测头安装支架):投光用、受光用2个1套
CN-HLT1-1(检测头与控制器的连接电缆):1根
光轴调节封条:2块、成套标签(仅FDA标准符合型):1套ト
MS-LA3-1(检测头安装支架):投光用、受光用2个1套
CN-HLT1-1(检测头与控制器的连接电缆):1根 光轴调节封条:2块
成套标签(仅FDA标准符合型):1套ト

(注1):无指定时的测量条件为使用环境温度=+20℃。
(注2):平均次数为64次时的值。
(注3):将连接到控制器时的线性输出的波动幅度(±3б)换算成检测宽度的值。
(注4):假设检测宽度φ1mm型的中心附近被最小检测物体遮住光束,将线性输出的波动幅度(±3б)换算成检测宽度的值。

运算单元

型号HL-AC1-CL
接続控制器HL-AC1、HL-AC1P
消耗电流12mA以下(由控制器供电)
连接方式连接器
连接指示灯橙色LED(控制器接続时点灯)



使用环境温度0〜+50℃(注意不可结露)、
存储时:-15〜+60℃
使用环境湿度35〜85%RH、存储时: 35〜85%RH
耐电压AC1,000V 1分钟 所有电源连接端子与外壳之间
绝缘电阻所有电源连接端子与外壳之间,100MΩ以上,基于DC500V的高阻表
耐振动频率10〜150Hz 双向振幅0.7mm XYZ各方向80分
耐冲击加速度300m/s2(约30G) XYZ各方向3次
材质外壳:ABS、显示屏: 丙烯
重量本体重量:约50g

(注1):无指定的测量条件为使用环境温度=+20℃。

控制器

从2019年7月出货的控制器HL-AC1(P)版本升级。

如使用运算单元(HL-AC1-CL)、新旧控制器无法混用。
新旧控制器的辨别方法请参考"使用注意事项"页面。

>>点击进入使用注意事项页面

种类NPN输出型PNP输出型
型号HL-AC1HL-AC1P
适用检测头HL-T1001A/T1001F、HL-T1005A/T1005F、HL-T1010A/T1010F
电源电压/
消耗电流
12〜24V DC±10% 脉动P-P10%以下/190mA以下(连接检测头时)
测量周期150μs
线性输出电流/电压输出切换式(注2)
・电流输出时:4〜20mA/F.S.、最大负载电阻300Ω
・电压输出时:±4V/F.S.、输出阻抗100Ω
(通过焦点监控功能,也可设定±5V、 0~5V等范围)
 温度特性±0.2%F.S./℃(注3)
可设定
平均次数
(注4)
1/2/4/8/16/32/64/128/256/
512/1,024/2,048/4,096
判定输出
(HIGH、PASS、
LOW)
NPN开路集电极晶体管
・最大流入电流:50mA
・外加电压:30V DC以下(判定输出和0V之间)
・剩余电压:1.2V以下(流入电流为50mA时)
PNP开路集电极晶体管
・最大流出电流:50mA
・外加电压:30V DC以下(判定输出和+V之间)
・剩余电压:2V以下(流出电流为50mA时)
 输出数HIGH/PASS/LOW 3値输出
输出动作HIGH:测量值>HIGH阈值时ON
PASS:HIGH阈值≧测量值≧LOW阈值値ON
LOW:LOW阈值>测量值时ON
短路保护配备
激光OFF
输入
连接0V:激光投光停止
开路:激光投光
・外加电压:30V DC以下(漏电流0.1mA以下)
连接+V:激光投光停止
开路:激光投光
・外加电压:30V DC以下(漏电流0.1mA以下)
零点复位
输入
连接0V:零点复位动作
开路:零点复位无效
・外加电压:30V DC以下(漏电流0.1mA以下)
连接+V:零点复位动作
开路:零点复位无效
・外加电压:30V DC以下(漏电流0.1mA以下)
同步
输入
连接0V:有效
开路:无效
・外加电压:30V DC以下(漏电流0.1mA以下)
连接+V:有效
开路:无效
・外加电压:30V DC以下(漏电流0.1mA以下)
复位
输入
连接0V:有效
开路:无效
・外加电压:30V DC以下(漏电流0.1mA以下)
连接+V:有效
开路:无效
・外加电压:30V DC以下(漏电流0.1mA以下)


激光投光(LD ON)绿色LED
(激光投光时亮起)
判定输出HIGH:橙色LED(测量值>HIGH阈值时亮起)
PASS:绿色LED(HIGH阈值≧测量值≧LOW阈值时亮起)
LOW:黄色LED(LOW阈值)>测量值时亮起)
启动(ENABLE)绿色LED
(正常动作时点灯)
零点复位(ZERO)绿色LED
(零点复位功能有效时点灯)
主数字
显示屏
5位红色LED
[RUN模式:显示测量值(mm)或保持值,反向模式:使显示方向反向]
副数字
显示屏
5位黄色LED
[RUN模式:显示分辨率或受光量, THR模式:显示阈值,反向模式:使显示方向反向]]
主要功能 ・测量值显示 ・設定値、光量値分解能表示 ・标准受光量设定功能
・自动定标 ・定标 ・显示反向
・显示关闭模式 ・ECO模式 ・变更显示位数 ・样品保持
・峰值保持 ・谷值保持 ・峰值 to 峰值保持
・平均持有量 ・自我峰值保持 ・自我谷值保持
・零点复位 ・初始复位 ・接通延迟定时器 ・断开延迟定时器
・单触定时器 ・微分 ・前回值比较 ・灵敏度选择
・阈值直接设定 ・定位教导 ・2点教导
・自动教导 ・应差宽度可调 ・焦点监控
・线性输出校正功能 ・非测量时设定 ・(A-B)运算(注5) ・(A+B)运算(注5)
・厚度测量(注5) ・防止干扰(注5) ・激光老化检测 ・键锁功能
・零点复位存储



使用环境
温度
0〜+50℃(注意不可结露)、
存储时:-25〜+65℃
使用环境
湿度
35〜85%RH、
存储时:35〜85%RH
耐电压/
绝缘电阻
AC1,000V 1分钟 所有电源连接端子与外壳之间/所有电源连接端子与外壳之间,20MΩ以上,基于DC500V的高阻表
耐振动/
耐冲击
频率10〜150Hz 双向振幅0.7mm XYZ各方向80分/加速度300m/s2(约30G) XYZ各方向3次
材质外壳:聚对苯二甲酸乙二醇酯、透明罩:聚碳酸酯
输入・输出
电缆
0.09mm2芯合成电缆,长2m
输入・输出
电缆
延长
0.09mm2以上的电缆全长可延长至10m(注6)
重量本体重量:约140g

(注1):无指定的测量条件为使用环境温度=+20℃。(注2):通过位于控制器底面的开关切换电流/电压。
(注3):连接检测头时的典型示例。
(注4):判定输出及线性输出的反应时间为(测量周期)×(设定平均次数+1)。
(注5):需要运算单元。此外软件Ver.3以上的控制器无法和Ver.3以下的控制器组合使用。
(注6):延长距离超过10m时,将不符合CE标志。

  • 本产品为JIS/IEC标准的1级激光产品以及FDA标准(21 CFR 1040.10)的Ⅱ级激光产品。该产品存在一定危险,请勿通过透镜等观察光学系统进行观察。

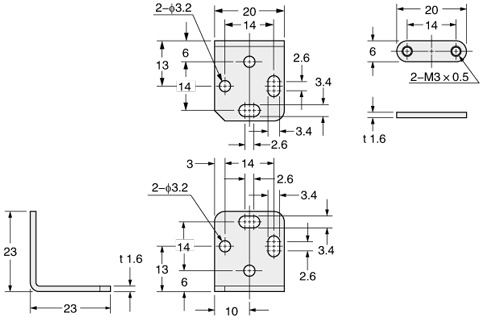
尺寸图

  • 单位mm

HL-T1001A(F)
HL-T1005A(F)

检测头

HL-T1001A(F)  HL-T1005A(F)
HL-T1001A(F)  HL-T1005A(F)
(注1):JIS/IEC标准符合型无光束遮光板以及照明、识别标签。
(注2):HL-T1001A(F)的受光器无插槽。

HL-T1001A
HL-T1001F

检测头

HL-T1001A  HL-T1001F
HL-T1001A  HL-T1001F
(注1):JIS/IEC标准符合型无光束遮光板以及照明、识别标签。

HL-AC1
HL-AC1P

控制器

HL-AC1  HL-AC1P

HL-AC-CL

运算单元(另售)

HL-AC-CL
(注1):JIS/IEC标准符合型无光束遮光板以及照明、识别标签。

MS-HLT1-1

HL-T1001A(F)/ HL-T1005A(F)用检测头安装支架[HL-T1001A(F)/ HL-T1005A(F)附带]

MS-HLT1-1
材质:SPCC(光泽镀锌)
附带2个带垫圈的M3螺丝(长20mm)

安装图
本图为安装在HL-T1010A的受光器上的状态。

MS-HLT1-1

MS-LA3-1

HL-T1010A(F)用检测头安装支架[HL-T1010A(F)附带]

MS-LA3-1
材质:SPCC(光泽镀锌)
附带2个带垫圈的M3螺丝(长25mm)

安装图
本图为安装在HL-T1010A的受光器上的状态。

MS-LA3-1

MS-HLAC1-1

控制器安装支架(另售)

MS-HLAC1-1

CN-HLT1-1

检测头、控制器连接电缆(检测头附带)

CN-HLT1-1

HL-T1SV1

HL-T1001A(F)/HL-T1005A(F)用侧视界附件(另售)

HL-T1SV1
材质: 聚醚酰亚胺(外壳)
玻璃(前罩)
附带2个带垫圈的M2螺丝(长6mm)

安装图
本图为安装在HL-T1005A的受光器上的状态。

HL-T1SV1

HL-T1SV2

HL-T1010A(F)用侧视界附件(另售)

HL-T1SV2
材质: 聚醚酰亚胺(外壳)
玻璃(前罩)
附带2个带垫圈的M2螺丝(长6mm)

安装图
本图为安装在HL-T1010A的受光器上的状态。

HL-T1SV2

可选件

品名型号内容
侧视界
附件
HL-T1SV1(1个)HL-T1001A(F)/
T1005A(F)用
光轴可弯曲成直角,因此安装自由度大。
HL-T1SV2(1个)HL-T1010A(F)用
控制器
安装支架
MS-HLAC1-1 用螺丝安装控制器时使用。
延长电缆 HL-T1CCJ4 长4m
本体重量
约162g
用于延长检测头与控制器的连接电缆和控制器之间的距离。
橡皮电缆,两端带连接器
电缆外径:ø5.2mm
连接器最大外径:ø15.5mm
HL-T1CCJ8 长8m
本体重量
约330g

侧视界附件

HL-T1SV1
HL-T1SV2

控制器安装支架

MS-HLAC1-1

延长电缆

HL-T1CCJ4
HL-T1CCJ8

回路・连接

HL-AC1

NPN输出型

HL-AC1

※ 1

※ 1

HL-AC1P

PNP输出型

HL-AC1P

※ 1

※ 1

使用注意事项

  • 请勿将本产品作为保障人身安全的检测装置使用。
  • 欲进行以保障人身安全为目的的检测,请使用符合OSHA、ANSI以及IEC等各国有关人身安全保障的法律和标准的产品。
  • 本产品为JIS/IEC标准的1 级激光产品以及FDA标准的Ⅱ级激光产品。该产品存在一定危险,请勿通过透镜等观察光学系统进行观察。
  • 本产品粘贴有以下内容的标签。请依据标签内容妥善处理。
  • (符合FDA标准的产品、 粘贴着遵循FDA标准的标 签。)

关于激光安全措施

  • 激光的能量密度较高,可能会对眼睛、皮肤等造成伤害。因此,在IEC和JIS等标准中,对安全性进行了分级,规定 了相应的管理方法等。HL-T1系列为1级激光产品。

遵照JIS C 6802(IEC 60825-1)进行分级

级别要求事项
1级这是在可进行合理预测的运行条件下确保安全的激光。

关于激光安全措施

  • 为了安全使用激光产品,我们遵照JIS C 6802(IEC 60825-1),对“激光产品安全标准”做出了明确的规定
    使用前,请先确认具体内容。

新旧控制器辨别方法

从2019年7月出货的控制器HL-AC1(P)版本升级

  • 如使用运算单元(HL-AC1-CL)、新旧控制器无法混用。
  • 新旧控制器的辨别方法请参考"使用注意事项"页面。
    >>下载手册

■控制器的辨别方法
本体和OS标签序列号不同。

旧控制器
(软件Ver.2/Ver.1)
新控制器
(软件Ver.3)
序列号显示:0******(0开头)序列号显示:9******(9开头)

功能一览表

功 能概 要
零点复位功能执行零点复位可实现以下功能。
・ 将显示值置“0”。
・将显示“0”时的线性输出置为经监视器聚焦的2点的中心输出值。
 (初始状态电流输出:12mA,电压输出:0V。)
自动定标功能这是在主数字显示屏上,可选择以mm为单位还是以%为单位显示受光量;以及可选择显示投光量还是遮光量的功能。
以已设定的标准受光量为参照基准,自动对当前的激光受光量(遮光量)进行定标、显示和输出。
标准受光量设定功能将当前的激光受光量作为标准受光量进行登录、保存的功能。激光完全入射时的受光量为入光量100%的满刻度(F.S.)。
如使用此功能,显示和线性输出将自动设定为满刻度(F.S.)。
同时还可用于修正前玻璃上的脏污引起的激光受光量的变化。
定标功能相对于测量值,可以任意改变显示值的功能。
可在任意的距离自由输入及变更该显示值。
应差宽度设定功能可任意设定应差值。
焦点监控功能此功能可指定相对于显示值的线性输出范围和斜率。
通过决定任意显示值的2点输出值进行设定。
微分功能使测量值的变化量为输出值的功能。
适合对张数进行计数等注重测量值变化的用途。
反向显示功能此功能可选择数字显示的显示方向。
选择顺向/逆向以符合在设备上的安装方向。
ECO显示功能此功能可使显示屏变暗以节电。
显示位数限制功能此功能可限制在主、副显示屏上显示数字的位数。有限制时,从低位起消失。
零点复位存储功能切断电源时存储零点复位值的功能。
再次接通电源时,如欲重现上次的零点复位值,将本功能设为有效。
本功能为有效时,零点复位值数据将每次写入EEPROM中。
锁键功能可使控制器上的按键输入无效的功能。
一旦将按键输入设为无效,直至解除之前,控制器将不接受任何的按键输入。
使用此功能可避免由于失误而改变设定。

连接

  • 本产品只有在检测头和控制器组合使用时才能满足规格。如果采用其它的组合方式,不仅不能满足性能规格,还可能导致故障等事故。因此,请不要使用。

各部名称与功能

名 称功 能
[1]激光投光指示灯
(LD ON)
(绿色LED)
检测头投射激光时亮起。
[2]判定输出指示灯
(HIGH/PASS/LOW)
(橙色/绿色/黄色LED)
HIGH:测量值>HIGH阈值时橙色灯亮起。
PASS:HIGH阈值≧测量值≧LOW阈值时绿色灯亮起。
LOW:LOW阈值>测量值时黄色灯亮起。
[3]主数字显示屏
(5位红色LED)
RUN模式时,显示测量值(mm/%)。
保持测量时,显示保持值(mm/%)。
反向模式时,上下反向显示。
[4]副数字显示屏
(SUB)
(5位黄色LED)
RUN 模式时,显示受光量或分辨率。
THR模式时,显示各项阈值。
反向模式时,上下反向显示。
[5]启动指示灯
(ENABLE)
(绿色LED)
正常动作时亮起。
异常时(接通电源时未连接检测头)熄灭。
[6]零点复位指示灯
(ZERO)
(绿色LED)
零点复位功能有效时亮起。
[7]模式切换开关可选择以下3种模式。
• RUN模式:工作模式
• THR模式:阈值设定模式
• FUN模式:进行各种设定的模式
[8]阈值选择开关THR/RUN模式时,选择要设定的阈值(HIGH/LOW)。
[9]U P键
• RUN模式:同步输入
• THR模式:变更阈值(顺向)
• FUN模式:变更功能设定值(顺向)
[10]D O W N 键
• RUN模式:长按3秒以上,输入标准受光量设定值
• THR模式:变更阈值(逆向)
• FUN模式:变更功能设定值(逆向)
[11]R I G H T键
• RUN模式:变更副数字显示屏的显示内容(顺向)
• THR模式:变更阈值、变更位数(顺向)
• FUN模式:选择设定功能(顺向)
[12]L E F T键
• RUN模式:变更副数字显示屏的显示内容(逆向)
• THR模式:变更阈值、变更位数(逆向)
• FUN模式:选择设定功能(逆向)
[13]E N T键
• RUN模式: 长按1秒以上,变更为零点复位与RIGHT
键同时长按3秒以上,解除零点复位。
• 阈值闪烁时,确定阈值(设定)阈值亮起时,执行教导
• 设定值闪烁时,确定设定值(设定)设定初始化时,长按此键执行初始化

其它

  • 本产品输出激光模拟量的判定。由于检测区域的中心部和周边部以及投光器侧和受光器侧的光强度存在差异,因此,显示值也不等于实际尺寸,请予以注意。所显示的尺寸值请作为大致标准以供参考。
  • 测定物体为镜面体或透明体时,可能无法正确测定,敬请注意。
  • 本产品禁止拆卸。