系列详情

DP-100 数字压力传感器

所属类型:压力传感器
品       牌:松下
产       地:苏州
状       态:在产
特       点:提高了数字显示屏的可视性
可同时显示两个值、直接设定基准值
3色显示(红、绿、橙)
减少工时、人为错误的复制功能
易读的数字显示

双画面三色显示,操作简单!

双画面·数字压力传感器 [气体用] DP-100
UL C-UL Recognaized CE Marking Korean S Mark

UL/C-UL 、CE 、Korean S Mark 已取得。
UL : Recognition认证
韩国S标志 : 仅限DP-101(A)/102(A)

特点

操作性能不变
通过4大版本升级使产品更易用

更清晰可见。
提高了数字显示屏的可视性

通过数字显示屏的改进,拓宽了视角且更清晰可见。
此外,扩大了显示压力范围和设定压力范围。

提高了数字显示屏的可视性

用于模拟输出的长距离传输
高功能型中新增了模拟电流输出。

减少对环境的影响
功耗降低14%(通常时)

通过低功耗DP-100系列的电路的改进,其通常时的功耗降低了14%。
ECO-FULL时显示屏熄灭,与通常时相比最大降低50%的功耗,ECO-STD时降低显示屏的亮度,与通常时相比最大降低30%的功耗。

功耗降低14%(通常时)

进一步加强了输出电路
晶体管输出电路中配备了反接保护电路

防止因误配线导致的故障。

可同时显示两个值、直接设定基准值

□30mm的紧凑机身配备双画面显示功能。可同时确认当前值和基准值,无需切换画面模式即可顺利确认、设定基准值。在基准值设定过程中也可进行ON/OFF动作,可以像旋钮式传感器那样进行设定。当然,还装备锁定功能。

可同时显示两个值、直接设定基准值

3色显示(红、绿、橙)

主显示屏与输出的ON/OFF动作联动,使颜色变化,而且设定中颜色也可变化。容易掌握传感器的状况,减少操作错误。

3色表示(赤・緑・橙)

易读的数字显示

采用12段字母数字显示。
英数字的辨识性得到提高

易读的数字显示

减少工时、人为错误的复制功能

通过将传感器逐台安装到主传感器上,可通过数据通信复制主传感器的设定内容。对多个传感器进行相同设定时,可防止设定错误导致的故障,在变更装置的设计时,只需对作业指示书进行少许变更即可。

可复制设定内容。
注)无法从新版本(Ver.2)向旧版本进行复制。
可从旧版本向新版本(Ver.2)进行复制。

优点1:削减生产开发周期! 大幅削减传感器的设定时间!

优点1:削减生产开发周期! 大幅削减传感器的设定时间!

优点2:消除工作错误和损失!

  • 防止由于自动复制而导致设置错误和设置上错误所引起的麻烦!
  • 即使设备设计发生变化时,也可轻松修改工作指令!

传感器的设定操作模式对应使用频率的3层结构

日常进行的操作设定使用"RUN模式"、基本设定使用"菜单设定模式"、高级功能使用"PRO模式"根据设定内容的等级加以明确区分。设定操作简单易懂。

传感器的设定操作模式对应使用频率的3层结构

设定中显示橙色

RUN状态显示为绿色/红色赤色、设定中通常显示为橙色、传感器颜色一目了然。

RUN状态
[RUN模式]

RUN状态

设定中
[菜单设定模式][PRO模式]

设定中

简单的初始设定

压力传感器可用于使用频率多的场合,初始设定简单。 低压型适用于吸附确认、高压型最适用于总压力确认。减少了传感器的设置工作。

そのまま使いやすい初期設定

触感良好的按钮

触感良好的按钮,设定工作流畅。

触感良好的按钮

万全的重设功能

如设定遇到问题、可以恢复到初始状态。

所有机型齐备连成压型

无需按正圧・负压选择传感器,可减少登录编号。

所有机型齐备连成压型

实现高精度传感[低压型]

低压型实现了分辨率 1/2,000的0.1kPa单位显示、反应时间2.5ms(最多5,000ms可变)、温度特性±0.5%F.S.、重复精度±0.1%F.S.和高精度检测。

实现高精度传感 [低压型]

配备独立双路输出 [标准型]

配备两路独立的比较输出,可分别选择传感模式。有两路比较输出,可将其中1路用作警报输出。
还可使不用的输出无效。

吸附用途中,还可确认真空破坏!

吸附用途中,还可确认真空破坏!

确认总压力时,可输出总压力警报!

确认总压力时,可输出总压力警报!

配备独立双路和三路输出模式

[1] EASY模式
可进行比较输出ON/OFF控制的模式。

EASY模式
(注1):应差可固定为8级。
(注2):比较输出1"时辅显示屏显示"P-1"比较输出2时辅显示屏显示"P-2"。

[2] 应差模式
任意设定比较输出的应差,进行ON/OFF控制的模式。

应差模式
(注1): 比较输出1时辅显示屏显示"Hi-1"、"Lo-1"、比较输出2时辅显示屏显示"Hi-2"、"Lo-2"。

[3] 窗式比较模式
在设定范围内的压力下使比较输出ON或OFF的模式。

窗式比较模式
(注1):应差可固定为8级。
(注2):比较输出1时辅显示屏显示""Hi-1"、"Lo-1"、比较输出2时辅显示屏显示"Hi-2"、"Lo-2"。

模拟输出与外部输入之间可切换 [高功能型][短端口型用]

备有可选择模拟输出(电压/电流)或外部输入(自动参照/远程调零)的高功能型。适合各种各样的用途。

模拟输出与外部输入之间可切换

配备自动参照/远程调零功能。只需最少量的工时即可实现更高精度的压力管理

可区分使用在装置的总压力变化时,通过外部输入将比较输出的判定水平转移总压力变化值进行修正的自动参照功能,以及可将显示值修正为零的远程调零功能。
可有效用于总压力变化剧烈的部位,以及要求精细设定的部位。

使用自动参照功能时

自定义辅显示屏

辅显示屏可显示基准值以外的任意值和文字。节省了用标签将压力的正常值等粘贴在装置上的工时。

自定义辅显示屏

设定内容一目了然

以数字显示通知DP-100的设定内容。
可通过数值简单地掌握设定内容,有助于通过电话进行维护等。

设定内容一目了然

峰值和谷值保持功能

使用2个画面显示压力变动的峰值和谷值

峰值和谷值保持功能

节能设计! 配备ECO模式

降低显示屏的亮度,减少约30%的功耗。再通过显示屏的熄灭,最大可减少约50%的功耗。

节能设计! 配备ECO模式

可变更反应时间

反应时间从2.5ms到5,000ms分为10个等级。
防止因压力突然变化引起的抖动和故障。

可变更反应时间

表示更新周期が可変

数字显示的显示更新周期可变更三种250ms、500ms、1,000ms3种不同等级。通过延长显示更新周期可以抑制显示闪烁。

可紧贴面板安装

备有适用于面板厚度1~6mm的专用安装件。

可紧贴面板安装

备有支持紧贴安装的专用支架
使用传感器安装支架时也能节省空间。

备有支持紧贴安装的专用支架

电缆为快速连接

附带的带连接器电缆(2m)快速简单连接。

电缆为快速连接
※还备有配件(另售1m/3m/5m型。

备有不附带连接器电缆型 [DP-10□-J] 可用市售连接器配线。只使用必要的电缆,有助于减少产生垃圾的电缆浪费。

备有不附带连接器电缆型  [DP-10□-J]
※关于市售连接器的推荐品,请参阅选件。

短端口型重量轻&省空间

实现进深30mm的小型方便组装在狭小空间内。
而且, 重量比标准型减少约10g。减轻了机械臂等可动部的负担。

短端口型重量轻&省空间
※与弯管接头的连接示意图。接头请另行准备。

备有Rc1/8转换衬套。
与以往机型的互换性得到提高 [短端口型用]

安装在DP-10□-M(-P)上可将压力端口从M5内螺纹转换为Rc1/8内螺纹。口径与DP2/DP3系列(停产品)相同。

备有Rc1/8转换衬套。<br> 与以往机型的互换性得到提高  [短端口型用]

防止油脂混入空气配管。 备有禁油规格

对压力端口等接气部的部件进行清洗,并在无油生产线上组装产品,从而避免油脂从压力传感器混入空气配管。

可转换压力端口的方向、 扁平地安装到墙面上[短端口型用]

在DP-10□-M(-P)上安装扁平附件后,可将压力端口和电缆向下及向左、向右拉出,因此可扁平地安装到墙面等位置。

可转换压力端口的方向、 扁平地安装到墙面上[短端口型用]

用途

电子零件的吸附确认
电子零件的吸附确认
总压力确认
总压力确认
空气泄漏检测
空气泄漏检测
安装在可移动部位
安装在可移动部位

种类

关于型号

关于型号

海外市场用(日本以外)

基于测量法,请避免在日本国内使用。

种类额定压力范围型号压力端口比较输出


端口



低压用-100.0~+100.0kPaDP-101M5内螺纹
+
R1/8外螺纹
NPN开路集・
电极晶体管
高压用-0.100~+1.000MPaDP-102


低压用-100.0~+100.0kPaDP-101A
高压用-0.100~+1.000MPaDP-102A



低压用-100.0~+100.0kPaDP-101-E-PM5内螺纹
+
G1/8外螺纹
PNP开路集・
电极晶体管
高压用-0.100~+1.000MPaDP-102-E-P


低压用-100.0~+100.0kPaDP-101A-E-P
高压用-0.100~+1.000MPaDP-102A-E-P



低压用-100.0~+100.0kPaDP-101-NM5内螺纹
+
NPT1/8外螺纹
NPN开路集・
电极晶体管
DP-101-N-PPNP开路集・
电极晶体管
高压用-0.100~+1.000MPaDP-102-NNPN开路集・
电极晶体管
DP-102-N-PPNP开路集・
电极晶体管


低压用-100.0~+100.0kPaDP-101A-NNPN开路集・
电极晶体管
DP-101A-N-PPNP开路集・
电极晶体管
高压用-0.100~+1.000MPaDP-102A-NNPN开路集・
电极晶体管
DP-102A-N-PPNP开路集・
电极晶体管

端口



低压用-100.0~+100.0kPaDP-101-MM5内螺纹NPN开路集・
电极晶体管
DP-101-M-PPNP开路集・
电极晶体管
高压用-0.100~+1.000MPaDP-102-MNPN开路集・
电极晶体管
DP-102-M-PPNP开路集・
电极晶体管


低压用-100.0~+100.0kPaDP-101A-MNPN开路集・
电极晶体管
DP-101A-M-PPNP开路集・
电极晶体管
高压用-0.100~+1.000MPaDP-102A-MNPN开路集・
电极晶体管
DP-102A-M-PPNP开路集・
电极晶体管
(注1):获得韩国S标志认证品为DP-101、DP-101A、DP-102、DP-102A。

不附带连接器电缆型

附件(另售)

CN-14A-C2(附带连接器的电缆长2m)

规格

种类(注2)标准多功能
低压用高压用低压用高压用
型号
(注3)
NPN输出 DP-101(-M)DP-102(-M)DP-101A(-M)DP-102A(-M)
PNP输出 DP-101(-M)-PDP-102(-M)-PDP-101A(-M)-PDP-102A(-M)-P
符合的标准及认证CE标志(EMC指令、RoHS指令)、UL/c-UL认证
压力种类表压
额定压力范围-100.0〜+100.0
kPa
-0.100〜+1.000
MPa
-100.0〜+100.0
kPa
-0.100〜+1.000
MPa
设定压力范围-101.0〜+101.0
kPa
-0.101〜+1.010
MPa
-101.0〜+101.0
kPa
-0.101〜+1.010
MPa
耐压力500kPa1.5MPa500kPa1.5MPa
适用流体非腐蚀性气体
电源电压12〜24V DC±10% 脉动P-P10%以下
消耗电量通常时:720mW以下(电源电压24V时消耗电流30mA以下)
ECO模式:STD时480mW以下(电源电压24V时消耗电流20mA以下)、
FULL时360mW以下(电源电压24V时消耗电流15mA以下)
比较输出
[比较输出1、
比较输出2
(注3)]
<NPN输出型>
NPN开路集电极晶体管
・最大流入电流:100mA
・外加电压:30V DC以下(比較输出和0V之间)
・剩余电压:2V以下(流入电流为100mA时)
<PNP输出型>
PNP开路集电极晶体管
・最大流出电流:100mA
・外加电压:30V DC以下(比较输出和+V之间)
・剩余电压:2V以下(源电流为100mA时)
 输出动作通过按键操作选择N.O./N.C.
输出模式 EASY模式/应差模式/窗式对比模式
应差最小1digit(可变)
重复精度±0.1%F.S.
(±2digits以内)
±0.2%F.S.
(±2digits以内)
±0.1%F.S.
(±2digits以内)
±0.2%F.S.
(±2digits以内)
反应时间2.5ms、5ms、10ms、25ms、50ms、100ms、250ms、500ms、1,000ms、5,000ms 通过按键操作选择
短路保护配备
外部输入(注4)
[自动参照功能/远程调零功能]
-<NPN输出型>
ON电压:0.4V DC以下
OFF电压:5〜30V DC或断开
输入阻抗:约10kΩ
输入时间:1ms以上
<PNP输出型>
ON电压:5V〜+V DC
OFF电压:0.6V DC以下或断开
输入阻抗:约10kΩ
输入时间:1ms以上
模拟电压输出
(注4)
-输出电压:
1〜5V
零点:3V±5%F.S.以内
量程:4V±5%F.S.以内
线性度:±1%F.S.以内
输出阻抗:约1kΩ
输出电压:
0.6〜5V
零点:1V±5%F.S.以内
量程:4.4V±5%F.S.以内
线性度:±1%F.S.以内
输出阻抗:约1kΩ
模拟电流输出
(注4)
-输出电流:
4〜20mA
零点:12mA±5%F.S.以内
量程:16mA±5%F.S.以内
线性度:±1%F.S.以内
输出阻抗:250kΩ(最大)
输出电流:
2.4〜20mA
零点:4mA±5%F.S.以内
量程:17.6mA±5%F.S.以内
线性度:±1%F.S.以内
输出阻抗:250kΩ(最大)
显示4位+4位3色LCD显示
(显示刷新周期:250ms、500ms、1,000ms 通过按键操作选择)
 显示压力范围-101.0〜+101.0kPa-0.101〜+1.010MPa-101.0〜+101.0kPa-0.101〜+1.010MPa
表示灯橙色LED
(输出1动作显示灯:比较输出1 ON时亮起
输出2/模拟电压/电流输出动作显示灯:比较输出2 ON时亮起)
橙色LED
(输出1动作显示灯:比较输出ON时亮起
输出2/模拟电压/电流输出动作显示灯:模拟电压/电流输出设置灯亮起)



保护构造IP40(IEC)
使用环境温度-10〜+50℃(注意不可结露、结冰)、存储时:-10〜+60℃
使用环境湿度35〜85%RH、存储时:35〜85%RH
耐电压AC1,000V 1分钟 所有电源连接端子与外壳之间
绝缘电阻所有电源连接端子与外壳之间,50MΩ以上,基于DC500V的高阻表
耐振动 频率10〜500Hz 双振幅3mm或最大加速度196m/s2 X,Y和Z方向各2小时
(面板安装时·扁平附件安装时:频率10〜150Hz 双振幅0.75mm或最大加速度49m/s2X,Y和Z方向各2小时)
耐冲击加速度100m/s2(约10G) XYZ各方向3次
温度特性±0.5%F.S.以内(以+20℃时为基准)±1%F.S.以内(以+20℃时为基准)±0.5%F.S.以内(以+20℃时为基准)±1%F.S.以内(以+20℃时为基准)
压力端口M5内螺纹+R1/8外螺纹
(短端口型为M5内螺纹))
材质外壳:PBT(加入玻璃纤维)、LCD显示屏:丙烯、压力端口:SUS303、安装螺纹部:黄铜(镀镍)、开关部:硅橡胶
连接方式连接器连接
配线长度0.3mm2以上的电缆全长可延长至100m(符合CE标志时:30m以下)
重量本体重量:约40g(短端口型约30g)、包装重量:约135g(短端口型约120g)
附件CN-14A-C2(2m连接器付电缆):1根

(注1):无指定时的测量条件为使用环境温度=+20℃。
(注2):关于带单位切换功能、仅限高压型。
(注3):型号中加注"-M"的机型为短端口型。
(注4):比较输出力2仅标准型配备。
(注5):不能同时使用。

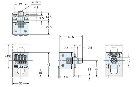
尺寸图

  • 单位mm

DP-10□(-P)
DP-10□(-K)

传感器

DP-10□(-P) P-10□(-K)
(注1):DP-10□-E-P为G1/8内螺纹、DP-10□-N(-P)为NPT1/8内螺纹。
(注2):使用DP-10□-E-P时,7.5视为10、9.5视为7、12视为14。

DP-10□-M(-P)

传感器

DP-10□-M(-P)

MS-DP1-1

传感器安装支架(另售)

MS-DP1-1
材质:SPCC(三价光泽镀锌)
M3(长6mm)垫圈螺丝2个

安装图
图为安装了DP - 10□(- P)
或DP - 10□(- K)的场合。

MS-DP1-1

MS-DP1-5

传感器安装支架(另售)

MS-DP1-5
材质:SUS304
   M3(长6mm)带垫圈螺丝2个

安装图
图为安装了DP-10□-M(-P)的场合。

MS-DP1-5

MS-DP1-2
MS-DP1-3

面板安装件(另售)、正面保护罩(另售)

DP-10□(-P)或DP-10□(-K)的安装图

安装图MS-DP1-2, MS-DP1-3[DP-10□(-P)及DP-10□(-K)的
材质:
聚缩醛(面板安装件)
聚碳酸酯(正面保护罩)
(注1):DP-10□-E-P为G1/8内螺纹、DP-10□-N(-P)为NPT1/8内螺纹。
(注2):DP-10□-E-P的场合,7.5视为10、9.5视为7、12视为14。
MS-DP1-2 MS-DP1-3
(注1):面板厚度为1~6mm。

MS-DP1-4

面板安装件(以外机型调换用)(另售)
DP-10□(-P)及DP-10□(-K)的安装图

MS-DP1-4
材质:尼龙6(面板安装件本体)、SUS304(面板安装支架)、SPCC(光泽镀锌)(垫片)


(注1):DP-10□-E-P为G1/8外螺纹、DP-10□-N(-P)为NPT1/8外螺纹。
(注2):面板厚度为1mm~3.2mm。

MS-DP1-7

转换衬套(另售)

MS-DP1-7
材质:黄铜(镀锌)
重量:约10g

MS-DP1-FM

扁平附件(另售)
DP-10□-M(-P)安装图

MS-DP1-FM
材质:PBT(加入玻璃纤维)(本体)、SUS303(压力端口)、H-NBR(O型圈)
重量:约15g(仅扁平附件)
   M3(长8mm)螺丝、M4(长20mm)螺丝各附带2个

MS-DP1-FR/FN/FE

扁平附件(另售)
DP-10□-M(-P)安装图

MS-DP1-FR/FN/FE
(注1):MS-DP1-FR为Rc1/8内螺纹、MS-DP1-FN为NPT1/8内螺纹。

材质:PBT(加入玻璃纤维)(本体)、SUS303(压力端口)、H-NBR(O型圈)
重量:约25g(仅扁平附件)
   M3(长8mm)螺丝、M4(长20mm)螺丝各附带2个

CN-14A(-R)-C□

带连接器电缆(另售、 CN-14A-C2附带)

CN-14A(-R)-C□

・长度L

型号长度L
CN-14A(-R)-C11,000
CN-14A(-R)-C22,000
CN-14A(-R)-C33,000
CN-14A(-R)-C55,000

可选件

品名型号内容
带连接器
电缆
CN-14A-C1 长度1m散线
0.2mm2 4芯橡皮电缆,一端带连接器。
电缆外径:ø3.7mm
CN-14A-C2(注1)长度2m
CN-14A-C3 长度3m
CN-14A-C5 长度5m
带连接器
电缆
(耐弯曲型)
CN-14A-R-C1 长度1m散线
0.2mm2 4芯耐弯曲性橡皮电缆,
一端带连接器。
电缆外径:ø3.7mm
CN-14A-R-C2 长度2m
CN-14A-R-C3 长度3m
CN-14A-R-C5 长度5m
连接器 CN-14A 10个外壳、40个触头为1套
传感器安装支架 MS-DP1-1 传感器可安装在地板面或天花板面。也可多台紧贴安装。
MS-DP1-5 传感器可安装在背面。
也可多台紧贴安装。
面板安装件 MS-DP1-2 可安装在厚度1~6mm的面板上。
也可多台紧贴安装。
MS-DP1-4 DP2/DP3系列(停产品)可调换为DP-100系列。
新设计时,请使用MS-DP1-2。
正面保护罩 MS-DP1-3 保护传感器的调节面。
(使用MS-DP1-2面板安装件时,可安装)
DPX-04 保护传感器的调节面。
(使用MS-DP1-4面板安装件时,可安装)
转换衬套 MS-DP1-7 安装在DP-10□-M(-P) / DP-10□ZL3-M-P(-C)上,将压力端口转换为Rc1/8内螺纹。
可从DP2/DP3系列(停产品)调换。
扁平
附件
MS-DP1-FM M5内螺纹DP-10□-M(-P)/DP-10□ZL3-M-P(-C) 用。
压力端口和电缆可向下或向左、向右切换,扁平地安装到墙面上。
MS-DP1-FR Rc1/8内螺纹
MS-DP1-FN NPT1/8内螺纹
MS-DP1-FE G1/8内螺纹
(注1):DP-100系列(DP-10□-J除外)及DP-10□ZL3-M-P附带1个。

带连接器电缆

CN-14A-C□
CN-14A-R-C□

传感器安装支架

MS-DP1-1

MS-DP1-5

面板安装件、正面保护罩

MS-DP1-2
MS-DP1-3

MS-DP1-4

转换衬套

MS-DP1-7

扁平附件

MS-DP1-FM

本体重量:约15g
附带M3(长8mm)螺丝2个、
M4(长20mm)螺丝2个

MS-DP1-FR
MS-DP1-FN
MS-DP1-FE

本体重量:约25g
附带M3(长8mm)螺丝2本、
M4(长20mm)螺丝2个

连接器推荐产品指南

日本压接端子制造(株)生产触头:SPHD-001T-P05、外壳:PAP-04V-S
※有关推荐产品的详情,请向制造商咨询。

压接工具推荐产品指南

日本压接端子制造(株)生产产品型号:YC-610R
※有关推荐产品的详情,请向制造商咨询。

连接用连接器(e-CON)推荐产品介绍

3M日本(株)制
适用连接器:37104-3122-000 FL

详情请参考、「3M™ 小型・卡式连接器介绍」。

Tyco Electronics Japan G.K.生产
型号:1473562-4
※有关推荐产品的详情,请向制造商咨询。

回路・连接

NPN输出型

输入、输出电路图

标准型

标准型

多功能型

多功能型

端子排列图

端子排列图
端子No.名称
[1]+V
[2]比较输出1
[3]标准型:比较输出2
多功能型:模拟电压输出或外部输入
[4]0V

PNP输出型

输入、输出电路图

标准型

标准型

多功能型

多功能型

端子排列图

端子排列图
端子No.名称
[1]+V
[2]比较输出1
[3]标准型:比较输出2
多功能型:模拟电压输出或外部输入
[4]0V

使用注意事项

  • 请勿将本产品作为保障人身安全的检测装置使用。
  • 欲进行以保障人身安全为目的的检测,请使用符合OSHA、ANSI以及IEC等各国有关人身安全保障的法律和标准的产品。
  • 本产品用于非腐蚀性气体。不能用于液体或腐蚀性气体。另外,请勿用于易燃、影响人体、毒性等液体。

各部分名称

配线

  • 请务必在切断电源的状态下进行配线作业。
  • 请确认电源的波动,以免电源输入超过额定范围。
  • 使用市售的开关调节器时,请务必将电源的框架式接地(F.G.)端子接地。
  • 在传感器安装部周围使用作为干扰发生源的设备(开关调节器、变频马达等)时,请务必将设备的框架式接地(F.G.)端子接地。
  • 请避免与高压线和动力线并行配线,或使用同一配线管,否则会因电磁感应而导致误动作。
  • 配线错误会导致故障。

连接

  • 请勿对电缆引出部及连接器部直接施压。
接続

安装

  • 另备有传感器安装支架MS-DP1-1/MS-DP1-5,敬请使用。另外,使用传感器安装支架等安装传感器时,紧固扭矩应在0.5N·m以下。
传感器安装支架MS-DP1-1/MS-DP1-5
  • 另备有面板安装件MS-DP1-2(另售)及正面保护罩MS-DP1-3(另售)。
面板安装件MS-DP1-2(另售)及正面保护罩MS-DP1-3(另售)
  • 备有用于从DP2/DP3系列(停产品)DP2/DP3系列调换的面板安装件MS-DP1-4。
面板安装件MS-DP1-4
  • 备有用于短端口型 DP-10□-M(-P) / DP-10□ZL3-M-P(-C)的转换衬套。可与DP2/DP3系列(停产品)调换。连接压力端口时的紧固扭矩应在1.0N·m以下。
ショートポートタイプDP-10□-M用変換ブッシュ
  • 备有用于短端口型DP-10□-M(-P)的扁平附件MS-DP1-F□。

(1)决定本产品的安装方向。

决定本产品的安装方向。
(注1):不能将压力端口朝上安装。

(2)使用附带的M3螺丝(长8mm),将本产品安装在传感器(M3内螺纹)上。此时的紧固扭矩应在0.5N·m以下。

使用附带的M3螺丝(长8mm),将本产品安装在传感器(M3内螺纹)上。

(3)使用附带的M4螺丝(长20mm),将本产品安装在安装面上。此时的紧固扭矩应在1.2N·m以下。

使用附带的M4螺丝(长20mm),将本产品安装在安装面上。
(注1):带连接器电缆从本产品侧面的凹槽部凸出的状态下安装时,可能会发生断线,敬请注意。

符合CE的使用条件

  • 本系列是符合EMC指令和CE标志的产品。本产品适用的有关抗干扰的归并标准为EN 61000-6-2,为了符合该标准必须满足下列条件。

[条件]
<DP-100系列>
・传感器的连接线不能超过30m。

配管

  • 压力端口连接市售接头时,请用12mm扳手(DP-100-E型:14mm扳手)夹住压力端口六角部分进行 固定,并用9.8N·m以下的紧固扭矩进行安装。紧固扭矩过大会损坏市售接头或压力端口。
    另外,连接时请在接头上缠绕密封带以防止泄漏。
  • DP-10□-M(-P) / DP-10□ZL3-M-P(-C)的压力端口连接市售接头时,请用手握住产品本体进行固定,并用1N·m以下的紧固扭矩进行安装。紧固扭矩过大会损坏市售接头或产品本体。
  • MS-DP1-7的压力端口连接接头时的紧固扭矩应在9.8N・m以下。
  • MS-DP1-FM的压力端口连接接头时的紧固扭矩应在1N・m以下。
  • MS-DP1-FR/FE/FN的压力端口连接接头时,请用14mm扳手夹住压力端口进行固定,并用9.8N·m以下的紧固扭矩进行安装。另外,连接时请在接头上缠绕密封带以防止泄漏。
(注1):紧固压力端口时,请勿用扳手夹住压力端口以外的部位。否则可能会损坏传感器。

关于扁平附件MS-DP1-F□

  • 请正确安装MS-DP1-F□和传感器。安装不正确可能会发生漏气。
  • 过度拆装会导致O形圈劣化,敬请注意。
  • 触摸MS-DP1-F□的O形圈或者附着划痕、污垢等可能会导致漏气、检测性能下降。使用和保管MS-DP1-F□时请充分注意。

其他

  • 本产品是以工业环境为使用目的而开发/制造的产品。
  • 请在额定压力范围内使用。
  • 施加压力请勿超过耐压范围。如果隔膜破损将导致无法正常动作。
  • 使用时,请避开电源接通时的过渡状态(0.5s)。
  • 请勿在屋外使用。
  • 在强电磁情况下,会产生无法满足性能的情况。
  • 请勿在蒸气、灰尘等较多的场所使用。
  • 请勿使产品和稀释剂等有机溶剂或水、油以及油脂直接接触。
  • 请勿将铁丝插入压力孔。如果隔膜破损将导致无法正常动作。
  • 请勿使用针尖等锐利的物体操作按键。

关于RUN模式

  • 工作模式模式。
设定项目内容
基准值设定只需按下UP键、DOWN键即可直接变更ON/OFF的基准值。
调零功能压力端口向大气压侧打开时,将压力值的显示强制置为"零"。
锁键功能使按键操作无效。
峰值·谷值保持功能显示变化中压力的峰值及谷值。峰值显示 在主显示屏,谷值显示在辅显示屏。

菜单设定模式

  • 在RUN模式下按下模式切换键2秒钟,切换至菜单设定模式。
  • 在设定过程中长按模式切换键,切换至RUN模式。此时, 变更的项目被设定。
设定项目内容
比较输出1输出模式设定比较输出1输出模式设定设定比较输出1的输出模式。
比较输出2输出模式设定
(DP-100系列
多功能型除外)
比较输出2输出模式设定设定比较输出2的输出模式。
模拟输出/外部输入
切换
(仅限DP-100系列
多功能型)
可与模拟电压输出或自动参照输入、远程调零输入进行切换。
N.O./N.C.切换设定为常开(N.O.)或常闭(N.C.)。
反应时间设定设定反应时间。
反应时间可从は2.5ms、5ms、10ms、25ms、50ms、100ms、250ms、500ms、1,000ms、5,000ms中选择。
主显示屏的显示色切换
切换
可切换主显示屏的显示色。
相对于输出的ON/OFF,显示色进行"红色/绿色"或"绿色/红色"切换。 还可固定为常时"红色"或"绿色"。
单位切换
(仅限DP-100系列
高压型)
可进行压力单位的切换(MPaとkPa)。

PRO模式

  • 在RUN模式下按下模式切换键5秒钟,切换至PRO模式。
  • 在设定过程中长按模式切换键,切换至RUN模式。此时,变更的项目被设定。
设定项目内容
辅显示屏切换将RUN模式中的辅显示屏的显示切换至任意的英数字。
显示刷新周期切换切换主显示屏显示的压力值的显示刷新周期。
应差固定值切换设定EASY模式和窗式对比模式的应差。(8级)
显示色联动切换
(DP-100系列
多功能型除外)
可与比较输出1或比较输出2的输出动作联动,切换主显示屏的显示色。
ECO模式设定使显示屏变暗或熄灭,可抑制功耗。
设定确认代码可通过代码确认设定内容。
设定复制模式
(仅限DP-100系列)
可将主传感器的设定内容复制到辅传感器。
复位设定设定为出厂状态。

设定确认代码一览表

代码一览表
代码第1位第2位第3位第4位
标准型多功能型 仅限
标准型
比较输出1
输出模式
N.O./N.C.
切换
比较输出2
输出模式
N.O./N.C.
切换
模拟输出
/外部输入
基准値
显示

显示屏
的显示色
显示色联动
0EASYN.O.OFFOFF模拟电压输出P-1、Lo-1ON时红色比较输出1
1N.C.EASYN.O.自动参照Hi-1比较输出2
2应差N.O.N.C.远程调零P-2、Lo-2ON时绿色比较输出1
3N.C.应差N.O.模拟电流输出Hi-2比较输出2
4窗口对比N.O.N.C.-ADJ.常时红色比较输出1
5N.C.窗口对比N.O.--比较输出2
6--N.C.--常时绿色比较输出1
7------比较输出2
代码第5位第6位第7位第8位
反应时间单位切换显示速度ECO模式
02.5msMPa250msOFF
15mskPa500msSTD
210ms-1,000msFULL
325ms---
450ms---
5100ms---
6250ms---
7500ms---
81,000ms---
95,000ms---