系列详情

DP-0 数字压力传感器

所属类型:压力传感器
品       牌:松下
产       地:苏州
状       态:在产
特       点:可视性、操作性、尺寸、安装性均优良的压力传感器

可视性、操作性、尺寸、安装性均优良的压力开关

单画面·数字压力开关 DP-0
单画面·数字压力开关 DP-0
CE Marking

CE 已取得。

NEW 2017年4月新增白色外壳,两种外壳颜色满足更多客户需求。

 
 

特点

清晰可见,可视性更强

采用可视性强的数字显示屏,实现清晰显示。

采用可视性强的数字显示屏,实现清晰显示

三色显示(白、红、粉)

沿用三色主体画面,内置设定状态,使设置更灵活,操作更方便。

沿用三色主体画面

小巧轻便

缩短机体进深,减轻本体重量,安装在机器人手臂等活动部位时,减轻了负担。

两种机体构造

两种机体构造各具优势,可根据实际应用灵活选择。

树脂型(DP-0□□)的优势在于进深短,质量轻,在机械臂这样的活动部位也可安装使用,进行稳定检测。
压铸型(DP-00□C)由于底座采用金属材质,质地坚硬,当压力检测环境对机体牢固性要求较高时,采用此种机体构造较为合适。

三路输出模式

1.EASY模式
可进行比较输出ON/OFF控制的模式。

EASY模式

2.应差模式
任意设定比较输出的应差,进行ON/OFF控制的模式。

应差模式

3.窗式比较模式
在设定范围内的压力下使比较输出ON或OFF的模式。

窗式比较模式

用途

总压力确认
总压力确认
注塑机机械手臂应用
注塑机机械手臂应用

种类

关于型号

规格

外壳颜色种类形状型号额定压力范围压力端口比较输出
黑色低压
(注1)
DP-001-100.0kPa~+100.0kPaM5内螺纹NPN开路集电极晶体管
DP-001-PPNP开路集电极晶体管
DP-001CNPN开路集电极晶体管
DP-001C-PPNP开路集电极晶体管
白色NEW
DP-011
NPN开路集电极晶体管
NEW
DP-011-P
PNP开路集电极晶体管
黑色高压DP-0020.000~+1.000MPaNPN开路集电极晶体管
DP-002-PPNP开路集电极晶体管
DP-002CNPN开路集电极晶体管
DP-002C-PPNP开路集电极晶体管
白色NEW
DP-012
NPN开路集电极晶体管
NEW
DP-012-P
PNP开路集电极晶体管
(注1):附带带连接器电缆,长2m(CN-14A-C2)。

规格

种类低压型高压型
型号NPN输出DP-001(C)DP-011DP-002(C)DP-012
PNP输出 DP-001(C)-PDP-011-PDP-002(C)-PDP-012-P
符合标准CE标志(EMC指令、RoHS指令)
压力种类表压
额定压力范围-100.0kPa~+100.0kPa0.000MPa~+1.000MPa
設定压力范围-101.0kPa~+101.0kPa-0.010MPa~+1.010MPa
耐压力500kPa1.5MPa
适用流体非腐蚀性气体
电源电压12V DC~24V DC±10% 脉动P-P10%以下
消耗电流电源电压24V时,消耗电流30mA以下
比较输出<NPN输出型>
NPN开路集电极晶体管
・最大流入电流:50mA
・外加电压:30V DC以下(比较输出和0V之间)
・剩余电压:2V以下(流入电流为50mA时)
<PNP输出型>
PNP开路集电极晶体管
・最大源电流:50mA
・外加电压:30V DC以下(比较输出和+V之间)
・剩余电压:2V以下(源电流为50mA时)
 输出动作通过按钮操作选择N.O./N.C.
输出模式 EASY模式/应差模式/窗式对比模式
应差最小2digits(可变)
重复精度±0.2%F.S.(±4digits以内)±0.4%F.S.(±4digits以内)
反应时间2.5ms/25ms/250ms 通过按键操作选择



保护构造IP40(IEC)
周围温度0℃~+50℃(注意不可结露、结冰)、存储时:-10℃+60℃
周围湿度35%RH~85%RH、存储时:35%RH~85%RH
耐电压AC500V 1分钟 所有电源连接端子与外壳之间
绝缘电阻所有电源连接端子与外壳之间,50MΩ以上,基于DC500V的高阻表
耐振动 频率10Hz~150Hz 双振幅0.75mm 最大加速度49m/s2 X,Y和Z方向各2小时
耐冲击加速度100m/s2(约10G) X,Y和Z方向各3次
温度特性
(+20℃基准)
+10℃~+40℃:±1%F.S.以内
0℃~+50℃:±2.5%F.S.以内
+10℃~+40℃:±2%F.S.以内
0℃~+50℃:±5%F.S.以内
材质外壳:PBT、LCD显示屏:丙烯、压力端口:黄铜镍(树脂型)、压铸锌(压铸型) 、安装螺纹部:黄铜(镀镍)、按钮部:聚碳酸酯
重量(仅限于本体)树脂型:约25g、压铸型:约40g
附件CN-14A-C2(带连接器电缆,长2m):1根

(注1):无指定时的测量条件为使用环境温度=+20℃。
(注2):型号中加注“-C”的机型为压铸型,白色外壳无压铸型。

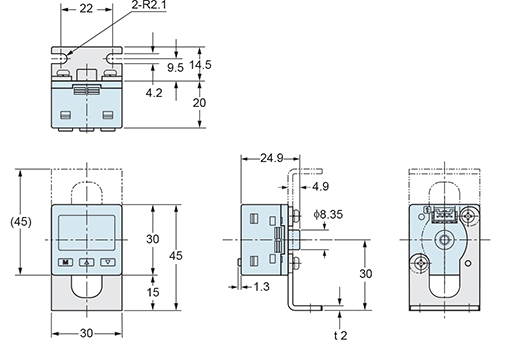
尺寸图

  • 单位mm

DP-0□□(-P)

传感器

DP-0□□(-P)

DP-00□C(-P)

DP-00□C(-P)

MS-DP1-1

传感器安装支架(另售)

MS-DP1-1
材质:SPCC(光泽镀锌)
M3(长6mm)带垫圈螺丝2个

安装图

安装图
图示为安装DP-00□的状态

MS-DP1-5

传感器安装支架(另售)

MS-DP1-5
材质:SUS304
M3(长6mm)带垫圈螺丝2个

安装图

安装图

MS-DP1-7

转换衬套(另售)

MS-DP1-7
材质 : 黄銅(镀镍)
种类 : 约10g

安装图

MS-DP1-7

MS-DP1-8
MS-DP1-3

面板安装件(另售)、正面保护罩(另售)

安装图

MS-DP1-8, MS-DP1-3
材质:POM(面板安装件)、聚碳酸酯(正面保护罩)

面板加工尺寸
安装1个时

MS-DP1-3 MS-DP1-8

横向连续安装n个时

横向连续安装n个时
(注1):面板厚度为1~3mm。

纵向连续安装n个时

(注1):面板厚度为1~3mm。

CN-14A(-R)-C□

带连接器的电缆[另售、CN-14A-C2传感器(DP-00□-J除外)附带]

CN-14A(-R)-C□

•长度L

型号长度L
CN-14A(-R)-C11,000
CN-14A(-R)-C22,000
CN-14A(-R)-C33,000
CN-14A(-R)-C55,000

可选件

品名型号内容
带连接器
电缆
CN-14A-C1 长度1m0.2mm2 4芯橡皮电缆,一端带连接器。
电缆外径:ø3.7mm
CN-14A-C2(注1)长度2m
CN-14A-C3 长度3m
CN-14A-C5 长度5m
带连接器
电缆
(耐弯曲型)
CN-14A-R-C1 长度1m0.2mm2 4芯耐弯曲型橡皮电缆,
一端带连接器。
电缆外径:ø3.7mm
CN-14A-R-C2 长度2m
CN-14A-R-C3 长度3m
CN-14A-R-C5 长度5m
连接器 CN-14A 10个外壳、40个触头为1套
传感器安装支架 MS-DP1-1 开关/传感器可安装在地板面或天花板面。也可多台紧贴安装。
MS-DP1-5 开关/传感器可安装在背面。
也可多台紧贴安装。
面板安装件 MS-DP1-2 可安装在厚度1mm~6mm的面板上,也可多台紧贴安装。
(DP-01□用)
MS-DP1-8 可安装在厚度1mm~3mm的面板上。
也可多台紧贴安装。
(DP-00□用)
正面保护罩 MS-DP1-3 保护开关/传感器的调节面。
(使用面板安装件时,可安装)

(注1):开关附带。

带连接器电缆

CN-14A-C□
CN-14A-R-C□

传感器安装支架

MS-DP1-1

MS-DP1-5

回路・连接

NPN输出型

输入・输出电路图

输入・输出电路图
(注1):请连接到开放或0V。

端子排列图

端子排列图
端子No.名称
[1]+V
[2]比较输出
[3]未连接(注1)
[4]0V
(注):请连接到开放或OV。

PNP输出型

输入・输出电路图

输入・输出电路图
(注1):请连接到开放或0V。

端子排列图

端子排列图
端子No.名称
[1]+V
[2]比较输出
[3]未连接(注1)
[4]0V
(注):请连接到开放或OV。

使用注意事项

部件名称

(注1):上图的压力端口的形状为树脂型。与压铸型的压力端口的形状不同。

配线

  • 请务必在切断电源的状态下进行配线作业。
  • 请确认电源的波动,以免电源输入超过额定范围。
  • 使用市售的开关调节器时,请务必将电源的框架式接地端子接地。
  • 在开关安装部周围使用作为干扰发生源的设备(开关调节器、变频马达等)时,请务必将设备的框架式接地端子接地。
  • 请避免与高压线和动力线并行配线,或使用同一配线管,否则会因电磁感应而导致误动作。
  • 配线错误会导致故障。

配管

  • 压力端口请使用市面上的接头连接,连接时请调整紧固扭矩在1.0N·m以下。

安装

  • 请使用另外准备的传感器安装支架MS-DP1-1。
    另外,需要使用传感器安装支架等安装开关时,紧固扭矩请控制在0.5N·m以下。
  • 同时也配有面板安装支架MS-DP1-2/MS-DP1-8(另售)和正面保护罩MSDP1-3(另售)。
  • 关于面板安装支架的安装方法,请参考MS-DP1-8附带的使用说明书。